Запчасти Case IH 7010 (90.156.12) - SHIELD & BRACKETS, R.H. (90) - PLATFORM, CAB, BODYWORK AND DECALS

Схема запчастей Case IH 7010 - (90.156.12) - SHIELD & BRACKETS, R.H. (90) - PLATFORM, CAB, BODYWORK AND DECALS
6
2
4
4
6
5
4
4
4
1
5
3
4
5
4
5
6
6
4
FIT
1:1
100%

Артикул

Название

Примечание

Количество

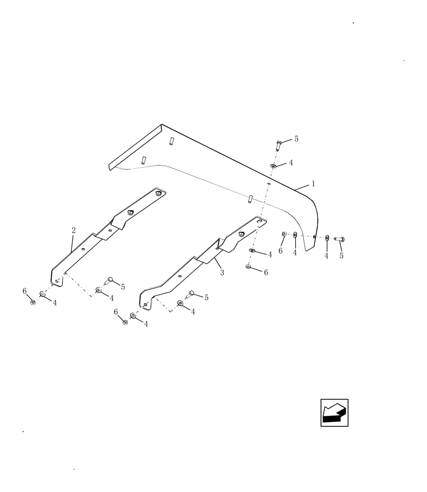
1

87553505

SPLASH SHIELD

R.H.

1шт.

2

87105561

BRACKET

Inner

1шт.

3

87108859

BRACKET

Outer

1шт.

4

322358

BELLEVILLE WASHER,M8 Bolt Size x 18mm OD x 1.4mm Thk

14шт.

5

43127

BOLT,Hex, M8 x 1.25 x 25mm, Cl 8.8

7шт.

6

9706690

NUT,M8 x 1.25, Cl 8

7шт.

Выбрано товаров: 6