Запчасти Case IH 7088 (55.911.AB[04]) - VAR - 425144 - GPS RECEIVER GRAIN TANK MOUNTING (55) - ELECTRICAL SYSTEMS

Схема запчастей Case IH 7088 - (55.911.AB[04]) - VAR - 425144 - GPS RECEIVER GRAIN TANK MOUNTING (55) - ELECTRICAL SYSTEMS
8
5
5
10
6
1
3
4
7
2
9
7
FIT
1:1
100%

Артикул

Название

Примечание

Количество

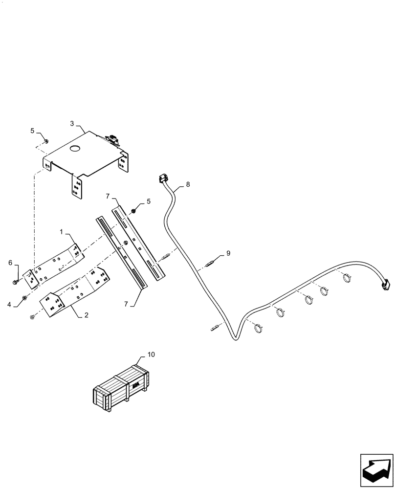
1

87335635

BRACKET

Lower Base

1шт.

2

87335677

BRACKET

Upper Base

1шт.

3

87488331

BRACKET

Mounting Plate

1шт.

4

86507486

CARRIAGE BOLT,M8 x 1.25 x 20mm, Cl 8.8

4шт.

5

86507066

FLANGE NUT,M8 x 1.25, Cl 10

8шт.

6

87656137

BOLT,Flange Hex, M8 x 20mm, Cl 10.9

4шт.

7

87623906

BRACKET

GPS Extension

2шт.

8

87550514

WIRE HARNESS

AFS252 To Combine

1шт.

9

306132C1

CABLE TIE,14.5" L

8шт.

10

87726620

DIA KIT, HARVESTER

GPS Install, Incl 1 - 4, 7, 8. Inst Sheet 87756334

1шт.

Выбрано товаров: 10