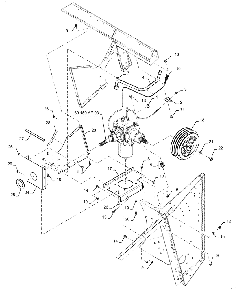
Запчасти Case IH 7088 (60.150.AE[01]) - FEEDER GEARBOX & FAN DRIVE, STANDARD (60) - PRODUCT FEEDING

Схема запчастей Case IH 7088 - (60.150.AE[01]) - FEEDER GEARBOX & FAN DRIVE, STANDARD (60) - PRODUCT FEEDING
60.150.ae 03
12
12
27
2
26
3
10
9
14
23
25
13
24
17
26
10
7
10
4
19
21
10
1
26
6
20
5
16
11
18
8
13
9
15
14
22
9
9
26
28
FIT
1:1
100%

Артикул

Название

Примечание

Количество

1

86566989

CABLE TIE,208mm L

1шт.

2

87742027

BRACKET

Lube Hose

1шт.

3

76085536

NUT,1/8-27 NPSM

1шт.

4

87579601

HYD TUBE,1" OD

Feeder Gearbox Oil Fill

1шт.

5

935915R1

SHIM,33.02mm OD x 0.38mm Thk

Bell Housing Support

1шт.

6

86625074

SPRING NUT,Multi-Thd, M8 x 1.25

3шт.

7

87656137

BOLT,Flange Hex, M8 x 20mm, Cl 10.9

2шт.

8

87698836

BOLT,M10 x 25mm, Full Thd, Cl 10.9

2шт.

9

86050279

FLANGE NUT,M10 x 1.5, Cl 10

7шт.

10

87698835

FLANGE BOLT,M10 x 20mm, Full Thd, Cl 10.9

10шт.

11

87343550

FLANGE BOLT,Hex, M12 x 25mm

1шт.

12

86512497

FLANGE NUT,M12 x 1.75, Cl 10

4шт.

13

87695413

BOLT,M12 x 51.8mm, Cl 10.9

3шт.

14

87698837

FLANGE BOLT,M10 x 30mm, Full Thd, Cl 10.9

4шт.

15

86625256

WASHER,13.3mm ID x 28.5mm OD x 4mm Thk

1шт.

16

87632904

DIPSTICK

Oil Level

1шт.

17

87652873

SUPPORT ASSY.

Forward Gearcase, Lower

1шт.

18

87624862

PULLEY,340.4mm OD

Forward Drive, 14T

1шт.

19

80679

LOCK WASHER,1/20.507 CST ZND

4шт.

20

87909

BOLT,Hex, 1/2" - 13 x 1", Gr 5

4шт.

21

87613300

WASHER,0.94" ID x 1.75" OD x 0.18" Thk

1шт.

22

87301257

NUT,7/8"-14, GC

1шт.

23

87702575

SUPPORT ASSY.

Forward Gearbox

1шт.

24

87575615

SUPPORT ASSY.

Forward Gearbox, Rear

1шт.

25

191496C1

SEALING STRIP

Gearbox Support

1шт.

26

86050279

FLANGE NUT,M10 x 1.5, Cl 10

9шт.

27

191497C1

SEALING STRIP

Gearbox Support

1шт.

28

87579999

SEAL

Gearbox Support

1шт.

Выбрано товаров: 28