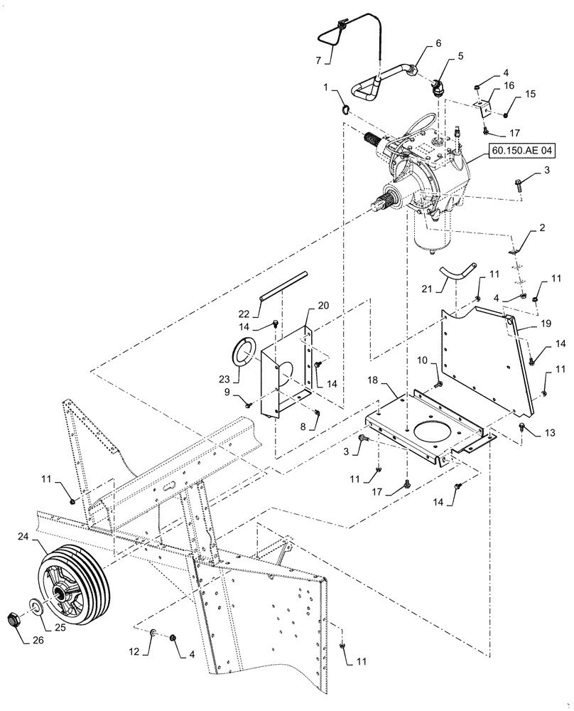
Запчасти Case IH 7088 (60.150.AE[02]) - FEEDER GEARBOX & FAN DRIVE, HEAVY DUTY (60) - PRODUCT FEEDING

Схема запчастей Case IH 7088 - (60.150.AE[02]) - FEEDER GEARBOX & FAN DRIVE, HEAVY DUTY (60) - PRODUCT FEEDING
60.150.ae 04
6
7
2
3
14
4
9
24
14
3
23
26
11
18
11
14
15
11
4
25
20
10
22
14
8
1
4
17
13
11
19
12
5
16
11
21
11
17
FIT
1:1
100%

Артикул

Название

Примечание

Количество

1

86566989

CABLE TIE,208mm L

1шт.

2

935915R1

SHIM,33.02mm OD x 0.38mm Thk

Bell Housing Support

1шт.

3

87695413

BOLT,M12 x 51.8mm, Cl 10.9

3шт.

4

86512497

FLANGE NUT,M12 x 1.75, Cl 10

4шт.

5

86977688

45 ELBOW,1-5/16" - 12 JIC x 1-5/16" - 12 ORB

1шт.

6

87701237

TUBE ASSY.

Gearbox Oil Fill

1шт.

7

87632904

DIPSTICK

Oil Level

1шт.

8

86625074

SPRING NUT,Multi-Thd, M8 x 1.25

3шт.

9

87656137

BOLT,Flange Hex, M8 x 20mm, Cl 10.9

2шт.

10

87698837

FLANGE BOLT,M10 x 30mm, Full Thd, Cl 10.9

4шт.

11

86050279

FLANGE NUT,M10 x 1.5, Cl 10

17шт.

12

86625256

WASHER,13.3mm ID x 28.5mm OD x 4mm Thk

1шт.

13

87698836

BOLT,M10 x 25mm, Full Thd, Cl 10.9

2шт.

14

87698835

FLANGE BOLT,M10 x 20mm, Full Thd, Cl 10.9

11шт.

15

76085536

NUT,1/8-27 NPSM

1шт.

16

87742027

BRACKET

Lube Hose

1шт.

17

87343550

FLANGE BOLT,Hex, M12 x 25mm

5шт.

18

87692779

PLATE, SUPPORT

Bottom, Gearbox

1шт.

19

87692781

PLATE, SUPPORT

Inner, Gearbox

1шт.

20

87692783

PLATE, SUPPORT

Rear, Gearbox

1шт.

21

87692785

SEAL

Gearbox Support

1шт.

22

191497C1

SEALING STRIP

Gearbox Support

1шт.

23

87692786

SEAL

Gearbox Support

1шт.

24

87608548

PULLEY

Forward Drive, 21T

1шт.

25

87571141

WASHER,1.62" ID x 3" OD x 0.25" Thk

1шт.

26

84352406

NUT

Lock, 1-1/2" - 12

1шт.

Выбрано товаров: 26