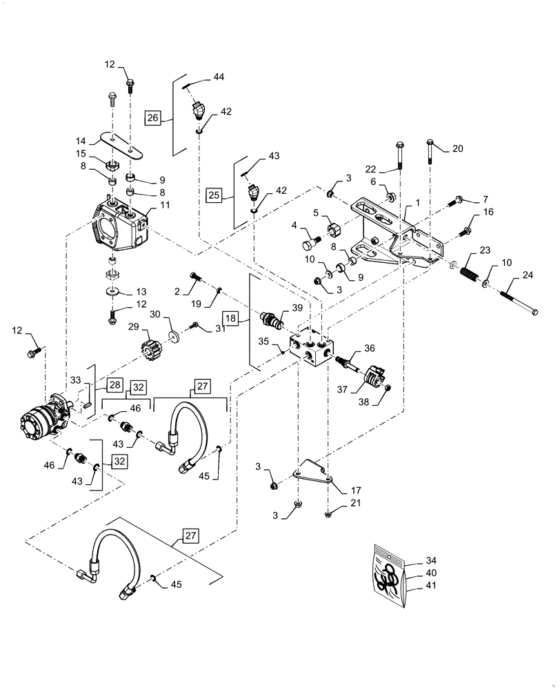
Запчасти Case IH 7088 (60.165.AM) - FEEDER REVERSER ASSY (60) - PRODUCT FEEDING

Схема запчастей Case IH 7088 - (60.165.AM) - FEEDER REVERSER ASSY (60) - PRODUCT FEEDING
26
8
32
3
34
11
41
45
37
15
43
46
43
20
18
19
32
46
2
9
16
8
29
13
3
6
27
12
35
17
22
44
33
14
42
27
1
10
36
45
4
23
3
21
42
25
40
28
10
8
30
3
12
12
43
39
5
38
31
24
9
7
FIT
1:1
100%

Артикул

Название

Примечание

Количество

1

87654414

FRAME

Reverser Guide

1шт.

2

300389

BOLT,M12 x 1.75 x 35mm, Cl 8.8

1шт.

3

86512497

FLANGE NUT,M12 x 1.75, Cl 10

4шт.

4

87654418

BOLT

Guide Block

1шт.

5

87602198

BLOCK

Guide

1шт.

6

86512498

FLANGE NUT,M16 x 2, Cl 10

1шт.

7

87670764

BOLT,M12 x 61.8mm, Cl 10.9

1шт.

8

87602190

SPACER

Guide Support, Inner

4шт.

9

87602186

GUIDE BUSHING

Outer Plate

2шт.

10

12648501

WASHER,12.2mm ID x 28mm OD x 4mm Thk

3шт.

11

87654417

CARRIER

Reverser Motor

1шт.

12

87695413

BOLT,M12 x 51.8mm, Cl 10.9

7шт.

13

9511052

WASHER,13.5mm ID x 44mm OD x 4mm Thk

1шт.

14

87611718

PLATE

Outer Guide Cover, Upper

1шт.

15

87602200

BLOCK

Guide

2шт.

16

87695414

BOLT,M12 x 1.25 x 46.8mm, Cl 10.9

1шт.

17

87657886

BRACKET

Cylinder Mounting, Lower

1шт.

18

87671107

VALVE

Feeder Reverser, Incl 35 - 39

1шт.

19

323238

THIN NUT,Hex, M12, 1.75mm Pitch, Cl 05

1шт.

20

87695408

BOLT,M10 x 1.5 x 100.4mm OAL, Cl 10.9

1шт.

21

86050279

FLANGE NUT,M10 x 1.5, Cl 10

1шт.

22

87032825

BOLT,Hvy Hex, M12 x 100mm, Cl 10.9

1шт.

23

87602201

COIL SPRING

Return, Inner Frame

1шт.

24

87354302

BOLT

Return Spring

1шт.

25

201-348

ELBOW,45 Degree Elbow, 13/16" - 16 Male ORFS x 3/4" - 16 Male ORB

Incl 42, 43

1шт.

26

87530403

ELBOW

45°, Incl 42, 44

1шт.

27

87372895

HOSE ASSY.

Reverser Motor, Incl 45

2шт.

28

87732233

MOTOR, HYDRAULIC,GEAR, 159.6 CC

Incl 33

1шт.

29

87599770

GEAR

14T

1шт.

30

9507949

WASHER,9mm ID x 42mm OD x 8mm Thk

1шт.

31

857-8025

BOLT,Hvy Hex, M8 x 25mm, Cl 10.9

1шт.

32

87610720

HYD CONNECTOR,7/8" - 14 ORB x 13/16" - 16 ORFS

Incl 43, 46

2шт.

33

170030

KEY,8mm x 7mm x 32mm

1шт.

34

87640692

SEAL KIT

Hydraulic Motor

1шт.

35

87604638

PLUG

Orifice, .096"

1шт.

36

87348628

CARTRIDGE,7/8" - 14

Solenoid

1шт.

37

87625444

COIL

Solenoid with Diode

1шт.

38

131-58

LOCK NUT,1/2"-20, G5

1шт.

39

87674267

SPOOL

S/A

1шт.

40

87628443

SEAL

Kit, Valve

1шт.

41

87628444

SEAL KIT

Spool

1шт.

42

128825

O-RING,0.087" Thk x 0.644" ID, -908, Cl 6, 90 Duro

2шт.

43

9992298

O-RING,0.07" Thk x 0.489" ID, -14, Cl 6, 90 Duro

3шт.

44

9992069

O-RING,0.07" Thk x 0.614" ID, -16, Cl 6, 90 Duro

1шт.

45

237-6008

O-RING,0.087" Thk x 0.644" ID, -908, Cl 6, 90 Duro

2шт.

46

167269

O-RING,0.097" Thk x 0.755" ID, -910, Cl 6, 90 Duro

2шт.

Выбрано товаров: 46