Запчасти Case IH 7088 (60.165.AR) - FEEDER REVERSER (60) - PRODUCT FEEDING

Схема запчастей Case IH 7088 - (60.165.AR) - FEEDER REVERSER (60) - PRODUCT FEEDING
60.110.ad 01
3
20
15
7
18
13
11
16
17
5
26
10
25
28
22
14
23
8
2
27
19
24
1
8
9
4
12
21
8
6
60.120.ag 01
60.165.am
60.120.ag 02
60.110.ad 02
60.110.ad 04
FIT
1:1
100%

Артикул

Название

Примечание

Количество

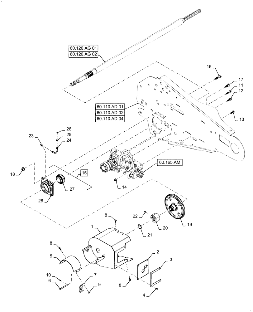
1

87647057

SHIELD

Reverser

1шт.

2

87646191

CANVAS

Seal

1шт.

3

87357510

BRACKET

Reverser Shield

1шт.

4

87010469

SELF-TAP SCREW,Hex, M6.3 x 25mm

4шт.

5

87753756

SHIELD

Jackshaft, RH Upper

1шт.

6

86605625

CLEVIS PIN,M10 x 110

1шт.

7

86638316

LATCH

Jackshaft Shield

1шт.

8

87656137

BOLT,Flange Hex, M8 x 20mm, Cl 10.9

6шт.

9

86507066

FLANGE NUT,M8 x 1.25, Cl 10

2шт.

10

130003

COTTER PIN,3mm OD x 30mm OAL

1шт.

11

87670764

BOLT,M12 x 61.8mm, Cl 10.9

1шт.

12

87695413

BOLT,M12 x 51.8mm, Cl 10.9

1шт.

13

87695414

BOLT,M12 x 1.25 x 46.8mm, Cl 10.9

3шт.

14

86512497

FLANGE NUT,M12 x 1.75, Cl 10

3шт.

15

241929A2

BEARING ASSY

Feeder Jackshaft, RH, Incl 27, 28

1шт.

16

87675533

BOLT,M16 x 75.4mm, Cl 10.9

3шт.

17

86508624

BOLT,Hex, M16 x 45mm, Cl 10.9

1шт.

18

86512498

FLANGE NUT,M16 x 2, Cl 10

4шт.

19

87354295

GEAR

Reverser Driven, 65T

1шт.

20

87354318

NUT

Jackshaft Retaining

1шт.

21

87354319

RING

Retaing, External

1шт.

22

300480

SET SCREW,M10 x 12mm

1шт.

23

219-82

ELBOW,90 Degree, 1/8"-27

1шт.

24

87358704

HOSE,3.56 mm ID x 130.00 mm

1шт.

25

76085536

NUT,1/8-27 NPSM

1шт.

26

80714

LUBE NIPPLE,1/4"-28 NPT x .54" lg

1шт.

27

193282C91

BEARING ASSY,50.8 mm ID x 100 mm OD x 55.5 mm

1шт.

28

240745A1

FLANGE

Bearing Housing

1шт.

Выбрано товаров: 28