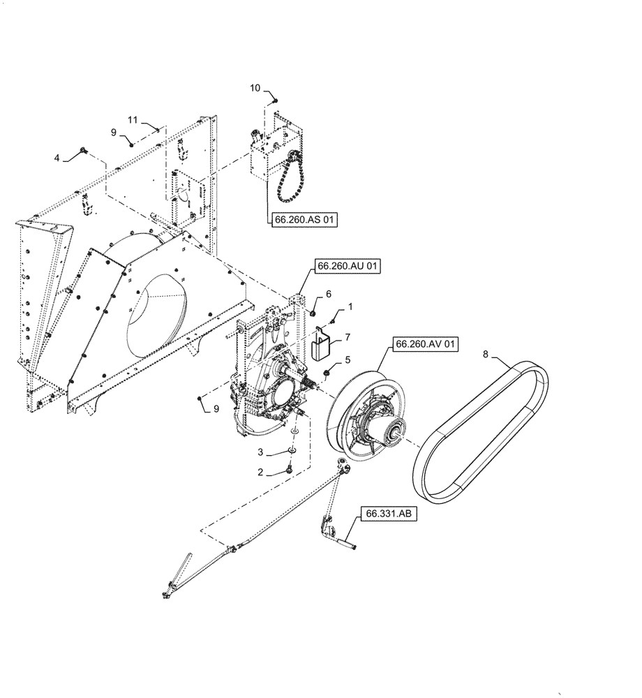
Запчасти Case IH 7088 (66.260.AA[01]) - ROTOR GEARBOX MOUNTING PARTS (66) - THRESHING

Схема запчастей Case IH 7088 - (66.260.AA[01]) - ROTOR GEARBOX MOUNTING PARTS (66) - THRESHING
66.260.as 01
10
7
8
9
2
11
5
3
1
9
4
6
66.331.ab
66.260.av 01
66.260.au 01
FIT
1:1
100%

Артикул

Название

Примечание

Количество

1

87682391

CARRIAGE BOLT,M10 x 1.5 x 25mm, Cl 10.9

2шт.

2

86978772

FLANGE BOLT,Hex, M16 x 40mm, Cl 10.9, Full Thd

2шт.

3

87317689

WASHER,18mm ID x 45mm OD x 4mm Thk

4шт.

4

86595832

CARRIAGE BOLT,Sht Sq Nk, M16 x 40mm, Cl 8.8, Full Thd

6шт.

5

87016581

FLANGE NUT,M16 x 2, CI 10

2шт.

6

86512498

FLANGE NUT,M16 x 2, Cl 10

6шт.

7

84545630

BRACKET

Dipstick Cover

1шт.

8

87714971

V-BELT,76.2mm W x 2790mm L

Rotor Drive, Inverted

1шт.

9

86050279

FLANGE NUT,M10 x 1.5, Cl 10

8шт.

10

87698836

BOLT,M10 x 25mm, Full Thd, Cl 10.9

6шт.

11

495-81135

WASHER,10.31mm ID x 25.4mm OD x 3.4mm Thk

4шт.

Выбрано товаров: 11