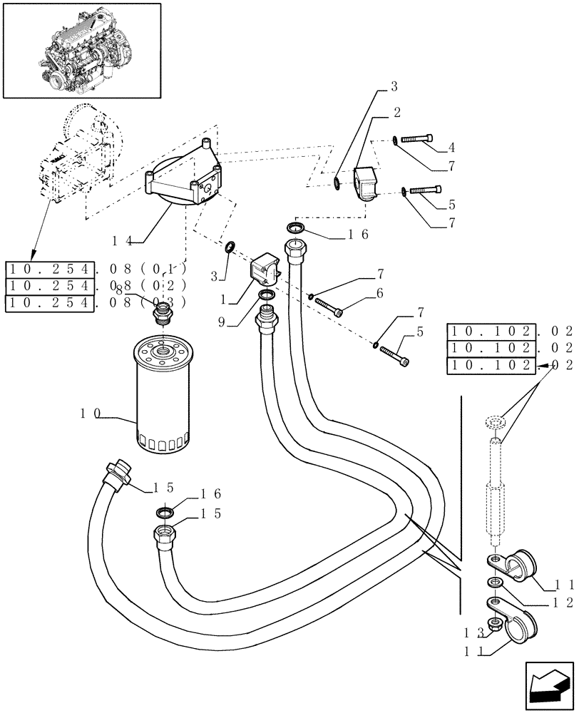
Запчасти Case IH 7120 (10.206.05) - ENGINE OIL FILTER & LUBE LINES - 7120/7120(LA) (10) - ENGINE

Схема запчастей Case IH 7120 - (10.206.05) - ENGINE OIL FILTER & LUBE LINES - 7120/7120(LA) (10) - ENGINE
7
5
14
11
8
15
5
16
12
10.254.08(01)
10.102.02(01)
10.102.02(02)
10.102.02(03)
10.254.08(03)
10.254.08(02)
6
9
2
11
1
10
7
3
4
13
15
7
3
16
7
FIT
1:1
100%

Артикул

Название

Примечание

Количество

1

504005572

ELBOW

1шт.

2

98481998

FITTING

1шт.

3

2852978

O-RING,0.103" Thk x 0.924" ID, -119, Cl 7, 75 Duro

2шт.

4

16689724

SCREW,M6 x 45mm

M6 x 45

2шт.

5

16689824

SCREW,M6 x 50mm

M6 x 50

4шт.

6

16689924

SCREW

2шт.

7

11197774

BELLEVILLE WASHER,M6 Bolt Size x 12mm OD x 1.2mm Thk

Dia. = M6 x 12

8шт.

8

99431947

HYD CONNECTOR

1шт.

9

99434480

SEAL

3шт.

10

84346773

ENGINE OIL FILTER,110mm OD x 212mm L, M30 x 2

1шт.

11

17317390

CLAMP

8шт.

12

10519624

WASHER,8.15mm ID x 17mm OD x 2mm Thk

5шт.

13

17044721

NUT

M8 x 1.25

5шт.

14

504218098

BRACKET

1шт.

15

504218108

HYD TUBE

Hose

2шт.

16

87681214

O-RING,2mm Thk x 20mm ID, 70 Duro

2шт.

Выбрано товаров: 16