Запчасти Case IH 7120 (10.218.03[01]) - INJECTOR & RELATED PARTS - 7120/7120(LA) (10) - ENGINE

Схема запчастей Case IH 7120 - (10.218.03[01]) - INJECTOR & RELATED PARTS - 7120/7120(LA) (10) - ENGINE
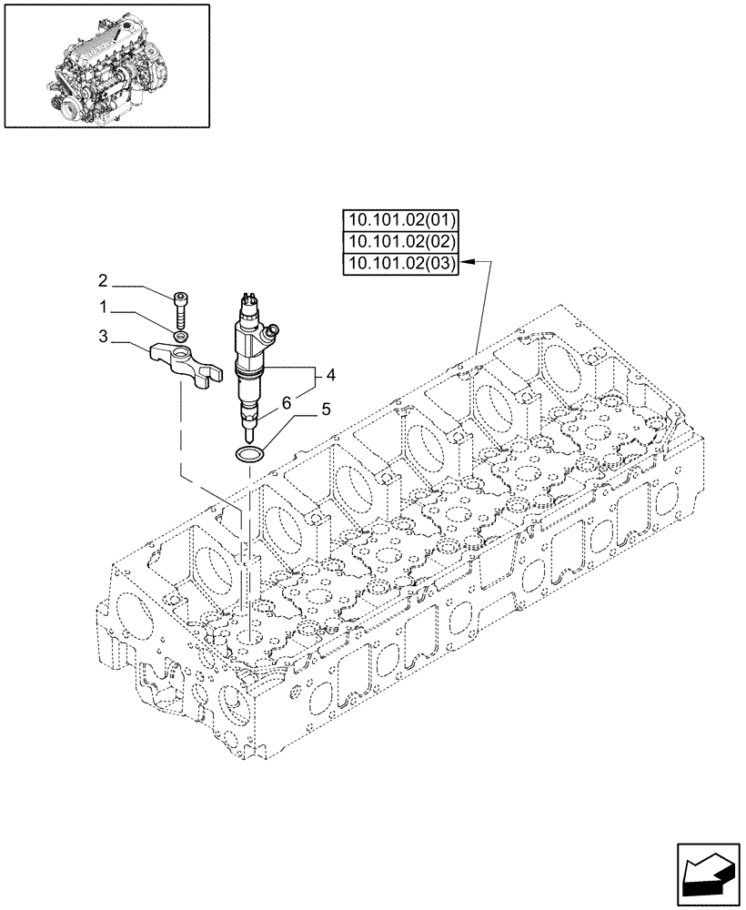
10.101.02(01)
6
10.101.02(02)
3
5
10.101.02(03)
1
4
2
FIT
1:1
100%

Артикул

Название

Примечание

Количество

1

4700162

WASHER

6шт.

2

500356756

SCREW

6шт.

3

504127841

FASTENER

6шт.

4

504194432

FUEL SYSTEM INJECTOR

6шт.

504194432R

REMAN-INJECT NOZZLE

7120. w/Cursor 9, Tier 3 Eng.

6шт.

504194432C

CORE-NOZZLE, INJECT

Return Number

1шт.

504194432R

REMAN-INJECT NOZZLE

REMAN-INJECTION NOZZLE 7120. w/Cursor 9, Tier 3 Eng.

6шт.

504194432C

CORE-NOZZLE, INJECT

Return Number

1шт.

5

14463481

O-RING,1.109" ID x 0.139" Width

M28.17 x 3.53

6шт.

6

504215322

NOZZLE

6шт.

Выбрано товаров: 10