Запчасти Case IH 7120 (10.408.03[01]) - HEAT EXCHANGER - 7120/7120(LA) (10) - ENGINE

Схема запчастей Case IH 7120 - (10.408.03[01]) - HEAT EXCHANGER - 7120/7120(LA) (10) - ENGINE
1
1
10.001.04 01
1
1
1
1
5
3
3
4
11
1
9
1
1
2
4
8
7
10.001.04 02
10
1
1
1
1
10.001.04 03
9
6
1
1
home
12
1
FIT
1:1
100%

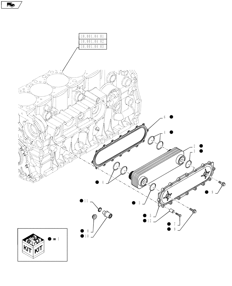
Артикул

Название

Примечание

Количество

1

504130575

HEAT EXCHANGER

ASSY

1шт.

2

504127469

OIL COOLER

1шт.

3

17283481

O-RING

M42.5 x 2,6

2шт.

4

17289781

O-RING

M47, 22 x 3, 55

4шт.

5

504127468

COVER

1шт.

6

504128027

GASKET

1шт.

7

16586725

BOLT,Hex, M8 x 1.25 x 40mm

M8 x 1.25 x 40

16шт.

7

16673835

BOLT,Hex, M8 x 30mm

M8 x 30 (only certain models)

5шт.

7

16674434

SCREW

M8 x 50 (only certain models)

11шт.

8

99433799

PLUG

1шт.

9

2856035

SCREW,Flng, M12 x 30mm, Cl 8.8

M12 x 30

2шт.

10

98498322

THERMOSTAT

1шт.

11

98494952

GASKET,35mm ID x 1.5mm Thk

M35 x 1.5

1шт.

12

17816414

SPACER

1шт.

Выбрано товаров: 0