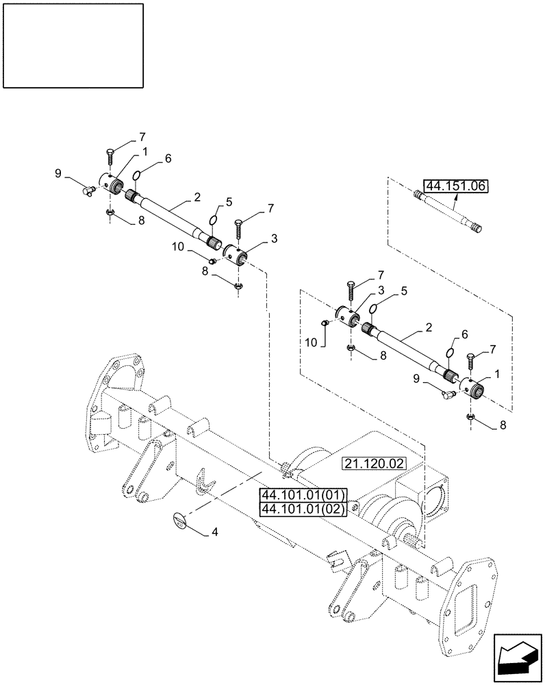
Запчасти Case IH 7120 (44.151.08[01]) - HALF-SHAFTS WITHOUT EXTENSIONS - 7120/7120(LA) (44) - WHEELS

Схема запчастей Case IH 7120 - (44.151.08[01]) - HALF-SHAFTS WITHOUT EXTENSIONS - 7120/7120(LA) (44) - WHEELS
8
5
8
1
3
10
5
44.101.01(01)
9
21.120.02
7
9
7
44.151.06
7
6
4
6
7
1
3
44.101.01(02)
2
10
2
8
8
FIT
1:1
100%

Артикул

Название

Примечание

Количество

1

84439077

COUPLING,23T

2шт.

Standard Drive

1шт.

1

84438982

SPLINED BUSHING,22T

2шт.

Planetary Drive

1шт.

2

84440152

DRIVE SHAFT

L = 804 mm

2шт.

Standard Drive

1шт.

For NA Only

1шт.

2

84440151

DRIVE SHAFT

L = 793 mm

2шт.

Planetary Drive

1шт.

For NA Only

1шт.

2

87391215

SHAFT

Control; L = 634.5 mm

2шт.

Standard Drive

1шт.

EU Only

1шт.

2

84155711

SHAFT

Control; L = 623 mm

2шт.

Planetary Drive

1шт.

EU Only

1шт.

3

84438982

SPLINED BUSHING,22T

2шт.

4

84334828

DECAL

4шт.

For NA Only

1шт.

5

84446910

SNAP RING,M40

2шт.

6

84446911

CIRCLIP

2шт.

Standard Drive

1шт.

6

84446910

SNAP RING,M40

2шт.

Planetary Drive

1шт.

7

120073

BOLT,Hex, M10 x 86.58mm, Cl 8.8

4шт.

8

100037

LOCK NUT,M10 x 1.5, Cl 8

4шт.

9

323713

LUBE NIPPLE,M6 x 1mm

2шт.

10

321204

LUBE NIPPLE,M6 x 1.0 x 16mm OAL

2шт.

Выбрано товаров: 28