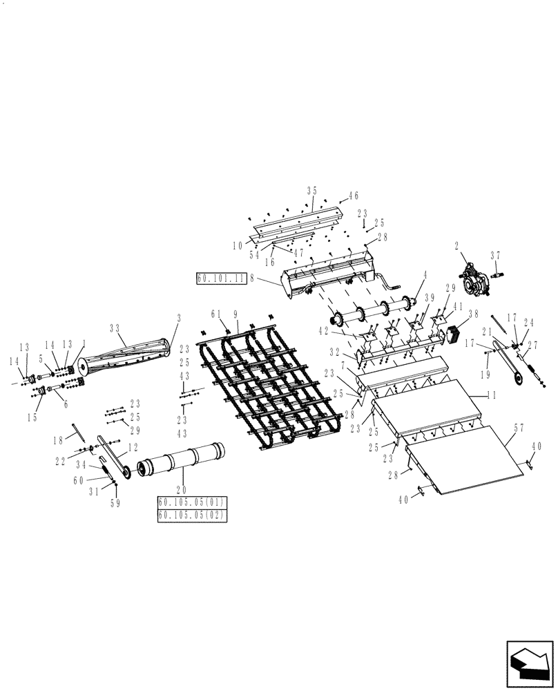
Запчасти Case IH 7120 (60.110.06[02]) - FEEDER FLOOR AND CHAINS - WITH ROCK TRAP (60) - PRODUCT FEEDING

Схема запчастей Case IH 7120 - (60.110.06[02]) - FEEDER FLOOR AND CHAINS - WITH ROCK TRAP (60) - PRODUCT FEEDING
60.105.05(02)
25
23
5
17
13
32
43
3
23
40
15
54
39
42
25
27
29
25
12
47
33
34
23
4
29
28
9
23
41
2
59
38
57
60
8
20
22
28
31
35
24
43
25
16
6
25
17
25
37
14
23
1
23
46
11
7
21
13
14
10
19
40
28
61
18
23
60.105.05(01)
60.101.11
FIT
1:1
100%

Артикул

Название

Примечание

Количество

1

86995212

BEARING ASSY

2шт.

2

84224789

GEARBOX

1шт.

Uses Felt Seal 84415750 Between Gearbox and Sprocket

1шт.

2

84224789R

REMAN-GEARBOX

Reman For New PN 84224789

1шт.

2

84224789C

CORE-GEARBOX

Return Number

1шт.

3

87109491

OIL SEAL

1шт.

4

84296465

SPROCKET

1шт.

5

86997123

WASHER,40mm ID x 57mm OD x 10mm Thk

2шт.

6

86981357

BOLT,1.5" - 6 UNC STD Thread 17.8mm L

2шт.

7

87673525

FLOOR

1шт.

7

84376397

FLOOR

For MY 11 And After

1шт.

8

87673527

SUMP

Components

1шт.

9

87646015

CHAIN (AG)

Standard Z Shaped Slat, Serial Range: -Y9G207601

1шт.

9

84179639

CHAIN,Feeder, 100 Links x 41.4mm = 4140mm

U shaped Slat Profile; From 06/09, Start Serial: Y9G207601

1шт.

10

87533210

SEAL

1шт.

11

87282537

FLOOR

Center

1шт.

12

87660200

ARM ASSY.

2шт.

13

140046

BELLEVILLE WASHER,M12 Bolt Size x 27mm OD x 1.8mm Thk

12шт.

14

9706685

NUT,M12 x 1.75, Cl 8

12шт.

15

86996082

COVER

2шт.

16

86629542

NUT,M8 x 1.25, Cl 8.8

5шт.

17

394631

WASHER,17mm ID x 34mm OD x 4mm Thk

4шт.

18

84155550

THREADED ROD

2шт.

19

86577946

BOLT,Hex, M16 x 80mm x 10.9

2шт.

20

NSS

NOT SOLD SEPARAT

Components

1шт.

21

87021332

SPACER,17mm ID x 25mm OD x 27mm L

2шт.

22

84265054

BRACKET

, Start Serial: YAG209900

2шт.

22

84163072

BRACKET

, Serial Range: -YAG209900

2шт.

23

140045

BELLEVILLE WASHER,M10 Bolt Size x 22mm OD x 1.6mm Thk

36шт.

24

86000441

NUT,M16 x 2.0, Cl 8

2шт.

25

100016

NUT,M10 x 1.5, Cl 8

34шт.

27

84163120

BRACKET

Indicator, Plated

2шт.

28

86633356

CARRIAGE BOLT,M10 x 34.8mm, Cl 8.8

15шт.

29

86512446

CARRIAGE BOLT,M10 x 1.5 x 30mm, Cl 8.8

17шт.

31

325594

WASHER,M17 x 40mm OD x 5mm Thk

2шт.

32

84161169

SUPPORT ASSY.

1шт.

33

87108961

BEATER

1шт.

34

693887

SPRING

Compression

2шт.

35

87730305

FLOOR

Right Rear

1шт.

37

87662555

SENSOR

Feeder Speed

1шт.

38

87667405

SHIM,140mm OD x 1.2mm Thk

8шт.

39

84158107

PLATE

Center

2шт.

40

87537643

SHIM,50mm OD x 1.32mm Thk

2шт.

41

84302887

PLATE

Left Hand, Start Serial: YAG210201

1шт.

41

84158109

PLATE

Left Hand, Serial Range: -YAG210201

1шт.

42

84158112

PLATE

Right Hand

1шт.

43

9706704

BOLT,Hex, M10 x 1.5 x 41.58mm, Cl 8.8

2шт.

46

84814921

HEX SOC SCREW,CSS, M8 x 25mm, Cl 10.9

Counter Sunk

5шт.

47

322358

BELLEVILLE WASHER,M8 Bolt Size x 18mm OD x 1.4mm Thk

5шт.

49

374892

CARRIAGE BOLT,M10 x 1.5 x 40mm, Cl 8.8

2шт.

54

87537644

CHANNEL

1шт.

57

84140379

FLOOR

Front Right

1шт.

59

412066

NUT,M16 x 2.0, Cl 8

2шт.

60

84157715

TUBE

Spacer

2шт.

61

1324294C1

LINK,40.893mm Pitch

A557 Connecting, Serial Range: -YAG209952

4шт.

61

84257096

LINK,41.4mm Pitch, Threaded Pin

Link Connecting Assy MY11, Start Serial: YAG209952

4шт.

Выбрано товаров: 56