Запчасти Case IH 7120 (00.000.90[02]) - PICTORIAL INDEX - BODY PANEL MOUNTS & HINGES (00) - GENERAL & PICTORIAL INDEX

Схема запчастей Case IH 7120 - (00.000.90[02]) - PICTORIAL INDEX - BODY PANEL MOUNTS & HINGES (00) - GENERAL & PICTORIAL INDEX
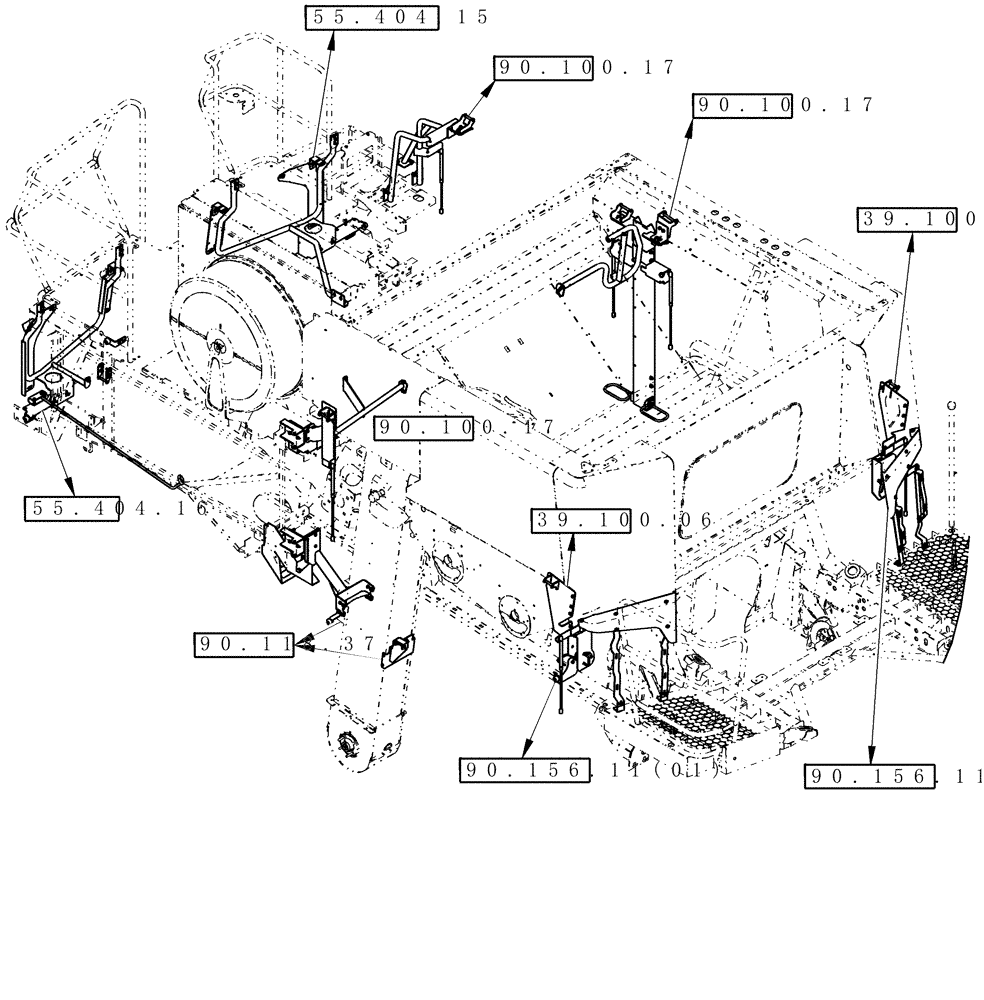
90.156.11(02)
90.156.11(01)
55.404.16
55.404.15
39.100.06
90.100.17
90.118.37
39.100.06
90.100.17
90.100.17
FIT
1:1
100%