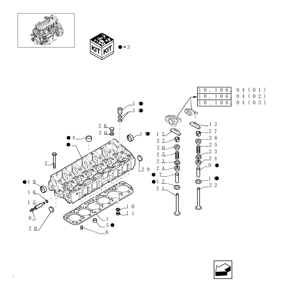
Запчасти Case IH 7120 (10.101.02[01]) - CYLINDER HEAD & RELATED PARTS - 7120/7120(LA) (10) - ENGINE

Схема запчастей Case IH 7120 - (10.101.02[01]) - CYLINDER HEAD & RELATED PARTS - 7120/7120(LA) (10) - ENGINE
29
3
7
28
10
27
8
25
22
23
24
15
17
5
14
24
29
16
18
11
25
27
4
9
2
12
23
30
19
26
13
1
12
19
6
26
10.106.04(03)
10.106.04(02)
10.106.04(01)
21
FIT
1:1
100%

Артикул

Название

Примечание

Количество

1

500382172

CYLINDER HEAD GASKET

1шт.

2

500354580

BOLT

26шт.

3

504217380

CYLINDER HEAD

ASSY

1шт.

3

47573592R

REMAN-CYLINDER HEAD

7120 AXIAL-FLOW COMBINE, ASSY (9/08-2/12)

1шт.

3

47573592C

CORE-CYLINDER HEAD

Return Number

1шт.

4

16990770

PLUG

D = 25 mm

12шт.

5

16991370

PLUG

D = 45mm

2шт.

5

16990570

PLUG

D = 20mm

6шт.

6

500314967

DOWEL

D = 10 mm

2шт.

7

500391440

INTAKE VALVE GUIDE

12шт.

7

500391441

OVERSIZE INLET VALVE

+ 0.2

12шт.

7

500391442

OVERSIZE INLET VALVE

+ 0.4

12шт.

8

500304562

BLEEDER VALVE

1шт.

9

500391436

EXHAUST VALVE GUIDE

12шт.

9

500391437

VALVE, EXHAUST, OVER

+ 0.2

12шт.

9

500391438

VALVE, EXHAUST, OVER

+ 0.4

12шт.

10

99489017

GASKET,9.9mm ID x 20mm OD x 2.5mm Thk

12 x 20 x 1.5

1шт.

11

16992215

PLUG

M12 x 1.5

1шт.

12

504131444

BRIDGE

12шт.

13

14453881

O-RING,23.52mm ID x 1.78" Width

M23.5 x 1.7

12шт.

14

504127833

NOZZLE HOLDER

6шт.

15

500328252

HYD CONNECTOR

1шт.

16

98474308

SEALING WASHER,16mm ID x 22mm OD x 1.5mm Thk

1шт.

17

40101573

SEAL

STD

12шт.

18

40101573

SEAL

STD

12шт.

19

504125778

BUSHING

7шт.

21

504127798

STD INLET VALVE

STD ENGINE INLET VALVE

12шт.

22

504127799

STD EXHAUST VALVE

STD ENGINE EXHAUST VALVE

12шт.

23

504129182

SPRING SEAT

24шт.

24

40101574

GASKET

24шт.

25

504125776

VALVE SPRING

24шт.

26

504127797

SPRING CUP

24шт.

27

98499819

ROCKER ARM COTTER

48шт.

28

16992115

PLUG,Threaded, M10 x 1

M10 x 1

1шт.

29

16990870

PLUG

D = 28 mm

3шт.

30

87665413

SEALING WASHER,7.9mm ID x 17.0mm OD x 1.5mm Thk

10 x 20 x 1.5

1шт.

Выбрано товаров: 36