Запчасти Case IH 7130 (44.151.13) - AXLE ASSY - DRIVE (44) - WHEELS

Схема запчастей Case IH 7130 - (44.151.13) - AXLE ASSY - DRIVE (44) - WHEELS
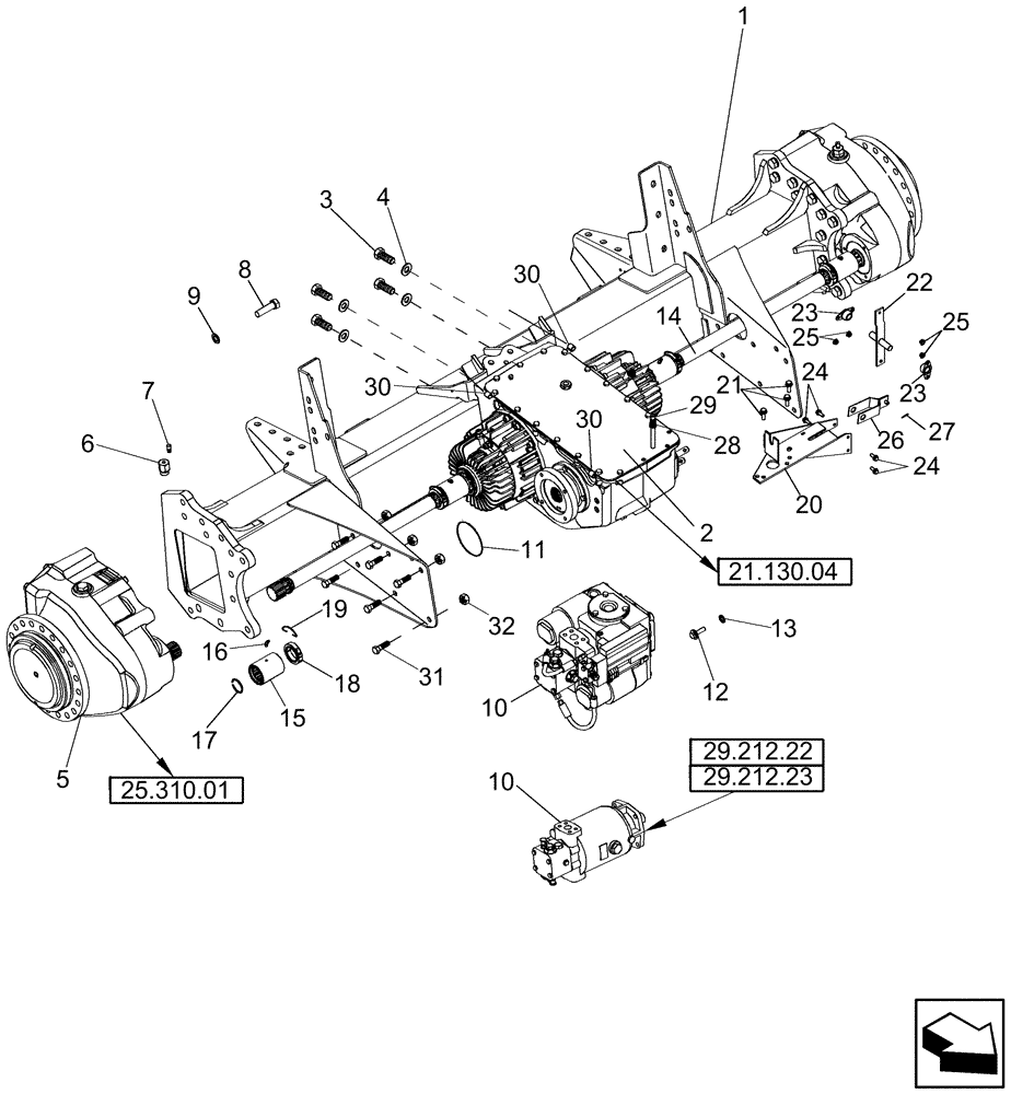
23
7
30
3
24
19
18
28
13
6
32
5
8
30
15
1
14
30
21
12
16
24
9
25.310.01
29.212.23
29.212.22
21.130.04
25
25
10
20
23
22
26
10
4
2
29
27
31
17
11
FIT
1:1
100%

Артикул

Название

Примечание

Количество

1

87690614

DRIVE AXLE

1шт.

1

87633182

DRIVE AXLE

EU Only

1шт.

2

84282351

TRANSMISSION

Fast, 37/35

1шт.

2

84282349

TRANSMISSION

Slow, 34/38

1шт.

2

84282349R

REMAN-TRANSMISSION

Slow, 34/38

1шт.

2

84282349C

CORE-TRANSMISSION

Return Number

1шт.

3

627-16050

BOLT,Hex, M16 x 2 x 50mm, Cl 10.9, Full Thd

4шт.

4

394631

WASHER,17mm ID x 34mm OD x 4mm Thk

4шт.

5

87695215

GEARBOX ASSY

Final Drive

2шт.

5

87695215R

REMAN-FINAL DRIVE

Final Drive

2шт.

5

87695215C

CORE- FINAL DRIVE

Return Number

2шт.

5

87695214R

REMAN-FINAL DRIVE

Remanufactured Final Drive; For N.A. Only

1шт.

5

87695214C

CORE- FINAL DRIVE

CORE-FINAL DRIVE Return number - For N.A. only

1шт.

84989374

SPACER

Spacer Component (RU Only) Picture Not Shown

1шт.

84273737

BOLT,Hex, M22 x 1.5 x 150mm, Cl 10.9

Component of Spacer (RU Only)

10шт.

87327481

WASHER,23mm ID x 37mm OD x 5mm Thk

Component of Spacer (RU Only)

10шт.

6

135950A1

ADAPTER

Final Drive Vent

2шт.

7

219-434

BREATHER,1/8" - 27 NPT, Short, W/ Washer

2шт.

8

827-20070

BOLT,Hex, M20 x 2.5 x 70mm, Cl 10.9

26шт.

9

137339A2

WASHER,21mm ID x 33.5mm OD x 4mm Thk

26шт.

10

87374885

HYDROSTATIC MOTOR,105.39CC

Fixed, Single Speed, 105.4 CC/REV

1шт.

10

87374885R

REMAN-HYDROSTAT MOTO

Remanufactured, HYDRAULIC MOTOR, For N.A. Only

1шт.

10

87374885C

CORE-HYDROSTAT MOTOR

Return Number

1шт.

10

84279067

HYDROSTATIC MOTOR

Variable, 2 Speed

1шт.

10

84599273R

REMAN-HYDROSTAT MOTO

Variable, 2 Speed

1шт.

10

84599273C

CORE-HYDROSTAT MOTOR

Return Number

1шт.

11

274336

O-RING,0.103" Thk x 4.737" ID, -158, Cl 5, 75 Duro

1шт.

12

628-12040

BOLT,Hex, M12 x 1.75 x 40mm, Cl 10.9, Full Thd

Single Speed Motor

4шт.

12

828-12045

BOLT,Hex, M12 x 1.75 x 45mm, Cl 10.9, Full Thd

Two Speed Motor

4шт.

13

896-11012

WASHER,13.5mm ID x 24mm OD x 3mm Thk

Single Speed Motor

4шт.

13

396-41053

WASHER,13.49mm ID x 31.75mm OD x 5.05mm Thk

Two Speed Motor

4шт.

14

87703493

SHAFT

Final Drive

2шт.

15

84416329

SPLINED COUPLING,12T

Transmission to Final Driveshaft

4шт.

16

323713

LUBE NIPPLE,M6 x 1mm

4шт.

17

123763A1

SNAP RING

4шт.

18

244549A1

COLLAR

Two Piece Collar Shaft

2шт.

19

245105A2

CLIP

4шт.

20

181376A1

SUPPORT

Transmission Shift Linkage

1шт.

21

87698837

FLANGE BOLT,M10 x 30mm, Full Thd, Cl 10.9

3шт.

22

84160202

LEVER

1шт.

23

87364072

BEARING

Pivot Upper and Lower

2шт.

24

87656137

BOLT,Flange Hex, M8 x 20mm, Cl 10.9

4шт.

25

86507066

FLANGE NUT,M8 x 1.25, Cl 10

4шт.

26

194437C1

LINK

Shift Rail Control

1шт.

195108C1

PIN

Not Shown -- used with Ref 21, 3/4 x 2 15/16

1шт.

27

432-612

COTTER PIN,3/32" x 3/4"

1шт.

28

84198534

NIPPLE

1шт.

29

105420

REDUCER FITTING

1шт.

30

516-23127

CLAMP,9/16", Insul, 3/8" Bolt

3шт.

31

86978772

FLANGE BOLT,Hex, M16 x 40mm, Cl 10.9, Full Thd

38шт.

32

86512498

FLANGE NUT,M16 x 2, Cl 10

38шт.

Выбрано товаров: 0