Запчасти Case IH 7130 (44.200.18[02]) - EXTENSION, STEERING KNUCKLE AND HUB, REAR AXLE, POWER GUIDE AXLE- NA/ANZ ONLY (44) - WHEELS

Схема запчастей Case IH 7130 - (44.200.18[02]) - EXTENSION, STEERING KNUCKLE AND HUB, REAR AXLE, POWER GUIDE AXLE- NA/ANZ ONLY (44) - WHEELS
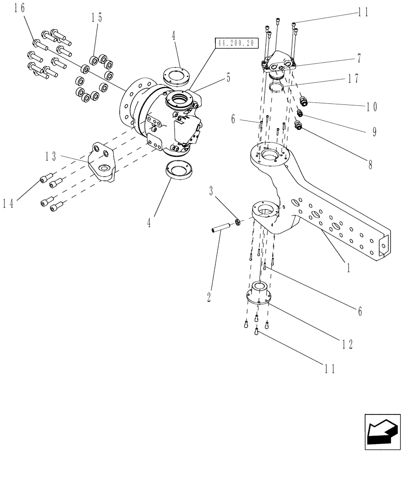
10
13
3
11
4
11
1
7
12
6
8
16
9
15
14
44.200.20
6
5
2
4
17
FIT
1:1
100%

Артикул

Название

Примечание

Количество

1

87743252

EXTENSION

Power Guide, Right Hand

1шт.

1

87743249

AXLE

Power Guide, Left Hand

1шт.

2

87035487

SET SCREW,M20 x 100mm, Cl 8.8

1шт.

3

829-4420

THIN NUT,M20 x 2.5, Cl 05

1шт.

4

84817924

DUST CAP,137.92mm OD x 22.1mm W

2шт.

5

87648796

MOTOR, HYDRAULIC

LH Single Speed,1260 cc

1шт.

5

87648796R

REMAN-HYD MOTOR

Remanufactured Hydraulic Motor

1шт.

5

87648796C

CORE-MOTOR HYDRAULIC

Return Number, HYDRAULIC MOTOR

1шт.

5

87726688

MOTOR, HYDRAULIC

RH Single Speed, 1260 cc

1шт.

5

87726688R

REMAN-HYD MOTOR

5130, 6130, 7130 all COMBINE TIER 4 (1/12-)

1шт.

5

87726688C

CORE-MOTOR HYDRAULIC

Return Number

1шт.

5

84280361

HYDRAULIC MOTOR,1259CC

LH 2 Speed, 1260/630 cc

1шт.

5

84280362

HYDRAULIC MOTOR,1259CC

RH 2 Speed, 1260/630 cc

1шт.

6

9515561

HEX SOC SCREW,M6 x 35mm, Cl 12.9

8шт.

7

432698A1

GUIDE

Kingpin

1шт.

8

83962539

HYD CONNECTOR,1" - 14 ORFS x 1-1/16 - 12 ORB

1шт.

9

9992305

HYD CONNECTOR,13/16" - 16 ORFS x 3/4" - 16 ORB

1шт.

10

9840535

HYD CONNECTOR,1-3/16" - 12 ORFS x 1-1/16" - 12 ORB

1шт.

11

86508097

HEX SOC SCREW,M10 x 25mm, Cl 12.9, Full Thd

9шт.

12

84800194

PIN,3.15" OD x 3.07" L

Lower

1шт.

13

87685406

STEERING ARM

Power Guide Axle, Right Hand

1шт.

13

87685408

STEERING ARM

Power Guide Axle, Left Hand

1шт.

14

87733367

HEX SOC SCREW,M20 x 50mm, Cl 12.9, Full Thd

4шт.

15

87281709

SPACER,.81" ID x 1.75" OD x .79" L

Wheel Bolt

10шт.

16

87035472

FLANGE BOLT,Hex Flg, M20 x 1.5 x 70, Cl 10.9

10шт.

17

87423602

SEAL

1шт.

Выбрано товаров: 26