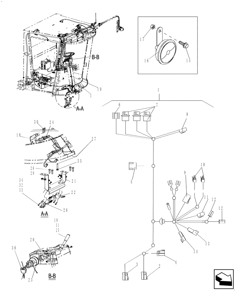
Запчасти Case IH 7130 (55.100.55) - HARNESS, STEERING COLUMN (55) - ELECTRICAL SYSTEMS

Схема запчастей Case IH 7130 - (55.100.55) - HARNESS, STEERING COLUMN (55) - ELECTRICAL SYSTEMS
15
11
24
7
22
1
2
12
31
13
21
30
26
32
34
9
3
19
31
8
32
23
36
34
4
25
28
10
1
16
25
6
14
35
19
29
33
33
28
5
29
17
20
27
12
18
FIT
1:1
100%

Артикул

Название

Примечание

Количество

1

84131653

WIRE HARNESS

Steering Column, Incl 2 - 14

1шт.

2

NSS

NOT SOLD SEPARAT

CONNECTOR, 14-Pin, C067 Cab Harness

1шт.

3

NSS

NOT SOLD SEPARAT

CONNECTOR, 3-Pin, C304

1шт.

4

NSS

NOT SOLD SEPARAT

CONNECTOR, 14-Pin, C068 Cab Harness

1шт.

5

NSS

NOT SOLD SEPARAT

CONNECTOR, 6-Pin, C137 Turn Signal Switch

1шт.

6

225253C1

CONNECTOR, ELEC

CONNECTOR 6-Pin, C138

1шт.

7

NSS

NOT SOLD SEPARAT

CONNECTOR, 2-Pin, C139 Right Hand Indicator, C140 Headlights High Beam Indicator, C141 Left Hand Indicator

3шт.

8

NSS

NOT SOLD SEPARAT

3-Pin, C380

1шт.

9

NSS

NOT SOLD SEPARAT

CONNECTOR, 2-Pin, C130

1шт.

10

194788A1

CONNECTOR, 2-POLE

C135, C136 Brake Light Switches

2шт.

11

NSS

NOT SOLD SEPARAT

CONNECTOR, 3-Pin, C142

1шт.

12

NSS

NOT SOLD SEPARAT

CONNECTOR, 2-Pin, C133 Emergency Brake Switch Left Pedal, C134 Emergency Brake Switch Right Pedal

2шт.

13

NSS

NOT SOLD SEPARAT

CONNECTOR, 4-Pin, C132 Platform Harness

1шт.

14

NSS

NOT SOLD SEPARAT

CONNECTOR, 3-Pin, C131 Platform Harness

1шт.

15

614-6020

BOLT,Hex, M6 x 1 x 20mm, Cl 8.8, Full Thd

1шт.

16

237582A1

HORN

1шт.

17

825-5146

SERRATED NUT,M6, Flg Ser

1шт.

18

87389572

BRACKET

Brake Light Switch

1шт.

19

L11541

CABLE TIE,203.2mm L, Nylon

CABLE STRAP

2шт.

20

D71346

TAIL LAMP,12V

Backlighting

2шт.

21

296643A1

BRACKET

Brake Switch

1шт.

22

296466A1

BRACKET

Switch Mounting

2шт.

23

282775A1

IGNITION SWITCH

With Padded Keys

1шт.

24

177499A2

LIMIT SWITCH

Plunger

2шт.

25

1500137C2

FLASHER SWITCH

Warn-Dip-Horn

1шт.

26

127286A1

SWITCH

Brake Light

2шт.

27

878-30840

SET SCREW,M8 x 40mm

1шт.

28

825-5148

SERRATED NUT,M8, Flg Ser

4шт.

29

614-8025

BOLT,Hex, M8 x 1.25 x 25mm, Cl 8.8, Full Thd

4шт.

30

614-6020

BOLT,Hex, M6 x 1 x 20mm, Cl 8.8, Full Thd

2шт.

31

614-4008

BOLT,Hex, M4 x 0.7 x 8mm, Cl 8.8, Full Thd

2шт.

32

492-11010

LOCK WASHER,#10

8шт.

33

440-11012

SCREW,Cross Pan Hd, #10-24 x 3/4"

8шт.

34

225-14110

NUT,#10-24

8шт.

35

829-1408

NUT,Hex, M8 x 1.25, Cl 10.9

1шт.

36

1964831C2

IGNITION KEY

1шт.

Выбрано товаров: 36