Запчасти Case IH 7130 (55.440.23) - GPS GRAIN TANK MOUNTING AND HARNESS (55) - ELECTRICAL SYSTEMS

Схема запчастей Case IH 7130 - (55.440.23) - GPS GRAIN TANK MOUNTING AND HARNESS (55) - ELECTRICAL SYSTEMS
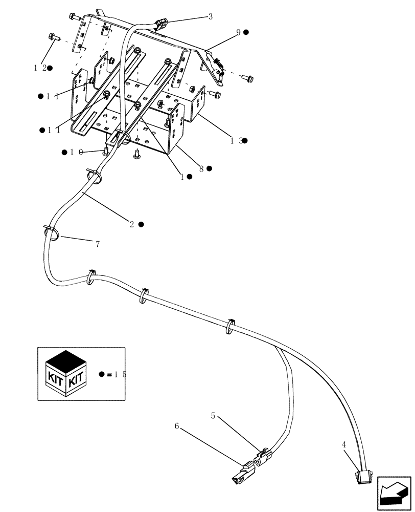
9
5
8
15
2
11
12
3
13
7
1
4
10
6
11
FIT
1:1
100%

Артикул

Название

Примечание

Количество

1

87623906

BRACKET

BRACKET, GPS Bracket Extension

2шт.

2

87550514

WIRE HARNESS

AFS252 To Combine, Incl 3 - 6

1шт.

3

225402C1

CONNECTOR, ELEC

CONNECTOR GPS Connection, C173, 12-Pin

1шт.

4

223671A1

CONTACT HOUSING,Female, 12 Pin

Receiver, 12-Pin

1шт.

5

225295C1

ELEC CONNECTOR,Female, 3 Pin

Can Termination, 3-Pin

1шт.

6

84058092

CONTACT HOUSING,120 Ohm Resistor

Can Termination, 3-Pin

1шт.

7

306132C1

CABLE TIE,14.5" L

CABLE STRAP

8шт.

8

87335677

BRACKET

Receiver Mount

1шт.

9

87488331

BRACKET

Mount, 252 Reciever

1шт.

10

86507486

CARRIAGE BOLT,M8 x 1.25 x 20mm, Cl 8.8

4шт.

11

86507066

FLANGE NUT,M8 x 1.25, Cl 10

8шт.

12

87656137

BOLT,Flange Hex, M8 x 20mm, Cl 10.9

4шт.

13

87335635

BRACKET

Receiver Mount

1шт.

14

322358

BELLEVILLE WASHER,M8 Bolt Size x 18mm OD x 1.4mm Thk

Not Shown

12шт.

15

87726620

DIA KIT, HARVESTER

GPS Grain Tank Mounting and Harness, Incl 1, 2, 8 - 14

1шт.

Выбрано товаров: 15