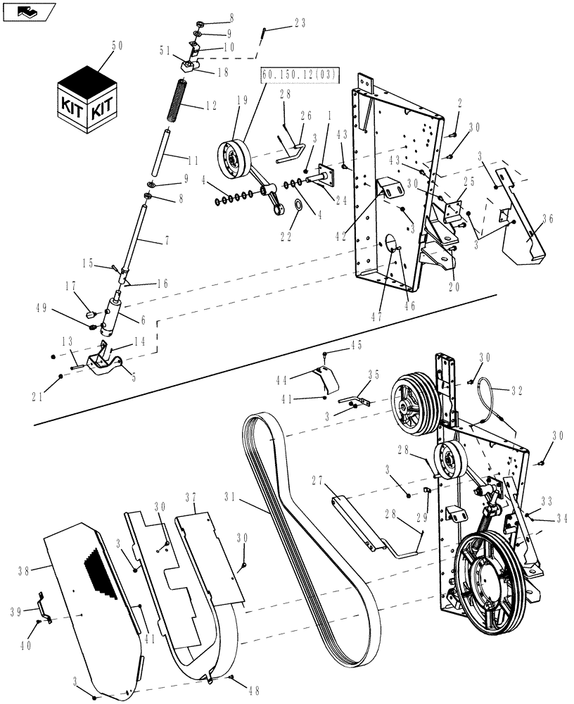
Запчасти Case IH 7130 (60.150.12[01]) - FEEDER DRIVE ASSEMBLY WITH ROCK TRAP (60) - PRODUCT FEEDING

Схема запчастей Case IH 7130 - (60.150.12[01]) - FEEDER DRIVE ASSEMBLY WITH ROCK TRAP (60) - PRODUCT FEEDING
8
42
7
6
4
27
3
30
28
43
32
28
3
30
26
3
21
1
24
40
35
3
17
11
49
25
47
48
19
29
30
39
34
38
3
60.150.12 03
30
41
13
28
41
20
50
44
33
10
14
home
8
2
60.150.12(03)
9
30
45
3
16
15
51
37
5
30
12
3
23
3
43
36
46
9
22
18
4
31
FIT
1:1
100%

Артикул

Название

Примечание

Количество

1

87395750

SHAFT ASSY.

Feeder Drive Idler Pivot

1шт.

2

87698837

FLANGE BOLT,M10 x 30mm, Full Thd, Cl 10.9

4шт.

3

86050279

FLANGE NUT,M10 x 1.5, Cl 10

21шт.

4

495-81069

WASHER,1-1/32" ID x 1-1/2" OD x 3/50" Thk

9шт.

5

84170096

SUPPORT

Cylinder Anchor

1шт.

6

87710335

CYLINDER,Double Acting, 25.4mm Rod, 63.5mm Stroke

Feeder Clutch

1шт.

7

87737845

ROD ASSY.

Feeder Drive Tightener

1шт.

8

87034489

THIN NUT,Hex, M24, 3mm Pitch, Cl 05

2шт.

9

86511328

WASHER,25mm ID x 44mm OD x 4mm Thk

2шт.

10

87758240

BRACKET

Seperator Belt Tensioning Guide

1шт.

11

84122776

TUBE,24.36 mm ID, 28.58 mm OD, 317.5 mm Length

Feeder Drive Tension Rod

1шт.

12

87739619

COIL SPRING

Feeder Belt Clutch

1шт.

13

439-1652

HEADED PIN,9.53mm OD x 82.55mm L

1шт.

14

432-812

COTTER PIN,3/4" OAL x 1/8" W

1шт.

15

427-6156

CLEVIS PIN,9.53mm OD x 39.67mm L

1шт.

16

432-612

COTTER PIN,3/32" x 3/4"

1шт.

17

87016877

ELBOW,90 Degree, 13/16"-16 x 9/16"-18, Adj, ORFS

1шт.

18

84121816

PIVOT

Feeder Drive Arm

1шт.

19

87519419

ARM

Feeder Drive Idler

1шт.

20

87030508

BOLT,Hvy Hex, M12 x 30mm, Full Thd, Cl 10.9

2шт.

21

86512497

FLANGE NUT,M12 x 1.75, Cl 10

2шт.

22

495-81225

WASHER,1 17/32" x 2 1/2" x .060"

1шт.

23

432-1240

COTTER PIN,3/16" x 2 1/2"

1шт.

24

432-1624

COTTER PIN,1/4" x 1 1/2"

1шт.

25

87712042

BRACKET

Belt Guide, Pivot

1шт.

26

116032A1

HOOK

Belt Retainer

1шт.

27

87377053

BRACKET

Feeder Belt

1шт.

28

432-1216

COTTER PIN,3/16" x 1"

4шт.

29

516-23127

CLAMP,9/16", Insul, 3/8" Bolt

1шт.

30

87698835

FLANGE BOLT,M10 x 20mm, Full Thd, Cl 10.9

9шт.

31

87629601

V-BELT,22.23mm W x 4118mm L, 3 Ribs

Feeder Drive

1шт.

32

937781R92

HOSE,3.02mm ID x 686mm L

Grease Line

1шт.

33

F53473

LOCK NUT,1/8-27 NPSM

1шт.

34

219-8

LUBE NIPPLE,1/4" - 28 NPTF

1шт.

35

87373945

ROD

Feeder Drive Belt

1шт.

36

87712044

BRACKET

Feeder Belt Guide

1шт.

37

87712050

BRACKET

Feeder Drive Belt

1шт.

38

84133932

COVER ASSY

Feeder Drive Belt

1шт.

39

87735697

LATCH

Door

1шт.

40

87681207

BOLT,M8 x 24.1mm, Cl 10.9

2шт.

41

86507066

FLANGE NUT,M8 x 1.25, Cl 10

4шт.

42

87712056

BRACKET

Feeder Belt Guide, Rear

1шт.

43

87698836

BOLT,M10 x 25mm, Full Thd, Cl 10.9

4шт.

44

87742029

SUPPORT

Upper, Belt Guide

1шт.

45

87656137

BOLT,Flange Hex, M8 x 20mm, Cl 10.9

2шт.

46

87682391

CARRIAGE BOLT,M10 x 1.5 x 25mm, Cl 10.9

3шт.

47

87698854

NUT,M10

3шт.

48

87682390

CARRIAGE BOLT,M10 x 1.5 x 20mm, Cl 10.9

1шт.

49

134713A1

CHECK VALVE,11/16" - 16 ORFS x 9/16" - 18 ORB

Feeder Clutch

1шт.

50

87364303

SEAL KIT

Cylinder

1шт.

51

86976596

BEARING,30mm OD x 82.55mm L

1шт.

Выбрано товаров: 0