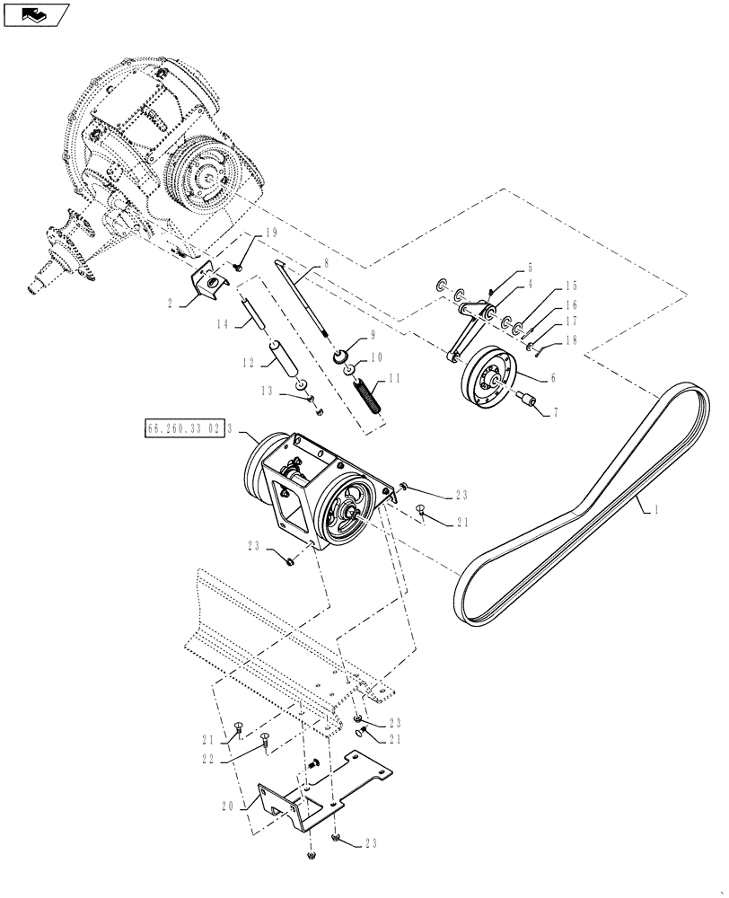
Запчасти Case IH 7130 (66.260.33[01]) - JACKSHAFT DRIVE AND BELT (66) - THRESHING

Схема запчастей Case IH 7130 - (66.260.33[01]) - JACKSHAFT DRIVE AND BELT (66) - THRESHING
22
12
2
11
1
5
16
21
23
7
home
9
19
3
23
13
15
10
8
6
20
21
14
23
17
18
21
4
66.260.33 02
23
FIT
1:1
100%

Артикул

Название

Примечание

Количество

1

84548651

BELT

Unload Mid Jackshaft, 2HB

1шт.

2

84255718

SUPPORT

1шт.

3

NSS

NOT SOLD SEPARAT

Shaft Assy, See Page 66.260.33(02)

1шт.

4

84342822

LEVER

Aux Pump Drive

1шт.

5

219-90

LUBE NIPPLE,45 Degree Elbow, 1/4" -28 NPTF

1шт.

6

192865C2

PULLEY

Aux Drive Idler

1шт.

7

274844R91

BEARING ASSY,30mm OD x 73.66mm L

1шт.

8

84233788

ROD

1шт.

9

86560521

PIVOT,13mm ID x 50mm OD x 25.4mm Thk

1шт.

10

86624148

WASHER,0.53" ID x 1.5" OD x 0.18" Thk

2шт.

11

84375295

TENSION SPRING

1шт.

12

84375294

SPACER

1шт.

13

9706685

NUT,M12 x 1.75, Cl 8

2шт.

14

84375293

SPACER

1шт.

15

86624171

WASHER,1.03" ID x 1.75" OD x 0.06" Thk

4шт.

16

432-1624

COTTER PIN,1/4" x 1 1/2"

1шт.

17

87364

WASHER,0.53" ID x 1.06" OD x 0.1" Thk

1шт.

18

432-1216

COTTER PIN,3/16" x 1"

1шт.

19

87698835

FLANGE BOLT,M10 x 20mm, Full Thd, Cl 10.9

2шт.

20

84154327

SUPPORT

1шт.

21

87695426

CARRIAGE BOLT,M12 x 30mm, Cl 0.9

10шт.

22

87495307

CARRIAGE BOLT,M12 x 45mm, Cl 10.9

2шт.

23

86512497

FLANGE NUT,M12 x 1.75, Cl 10

12шт.

Выбрано товаров: 0