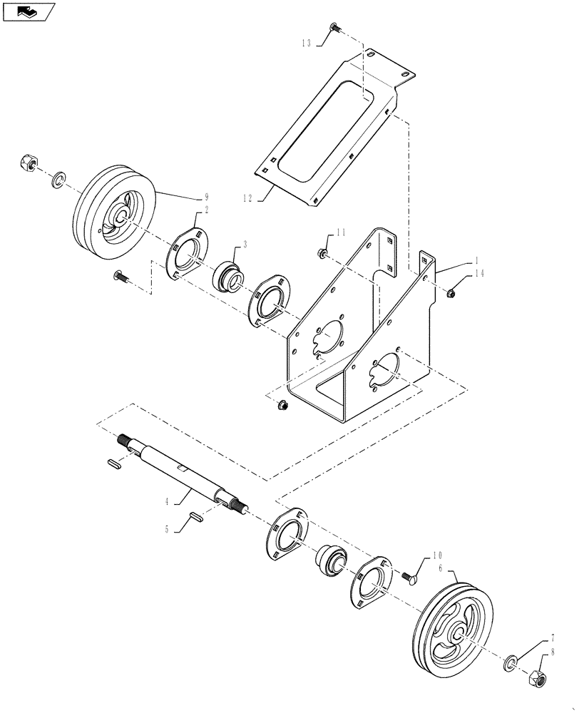
Запчасти Case IH 7130 (66.260.33[02]) - JACKSHAFT DRIVE, CONTINUED (66) - THRESHING

Схема запчастей Case IH 7130 - (66.260.33[02]) - JACKSHAFT DRIVE, CONTINUED (66) - THRESHING
1
10
home
12
8
4
6
13
11
7
2
3
9
14
5
FIT
1:1
100%

Артикул

Название

Примечание

Количество

1

84153804

SUPPORT

1шт.

2

86620027

FLANGED BEARING,80.02mm ID x 147.6mm OD x 4mm Thk

4шт.

3

455805

BALL BEARING,40mm ID x 80mm OD x 42.9mm Thk

2шт.

4

84152427

HALF SHAFT

1шт.

5

354775

KEY,10mm x 8mm x 40mm

2шт.

6

84152415

PULLEY

Driven

1шт.

7

87016608

WASHER,25.8mm ID x 44.5mm OD x 5mm Thk

2шт.

8

86536986

NUT,M24 x 3, Cl 10

2шт.

9

84194297

PULLEY

Driven 5130

1шт.

84152654

PULLEY,240mm OD

Driven 61/7130

1шт.

10

87695427

CARRIAGE BOLT,M12 x 35mm, Cl 10.9

8шт.

11

86512497

FLANGE NUT,M12 x 1.75, Cl 10

8шт.

12

84154356

SUPPORT

1шт.

13

87682391

CARRIAGE BOLT,M10 x 1.5 x 25mm, Cl 10.9

6шт.

14

86050279

FLANGE NUT,M10 x 1.5, Cl 10

6шт.

Выбрано товаров: 15