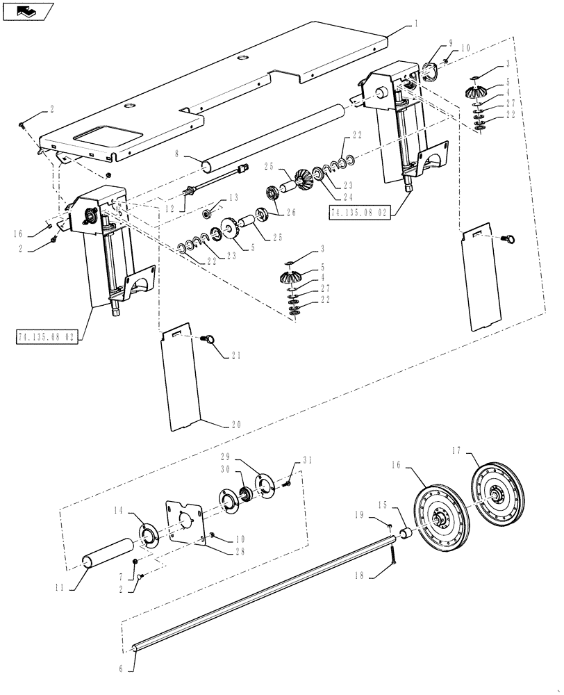
Запчасти Case IH 7130 (74.135.08) - CHAFF SPREADER- DRIVE (74) - CLEANING

Схема запчастей Case IH 7130 - (74.135.08) - CHAFF SPREADER- DRIVE (74) - CLEANING
18
29
9
1
22
30
10
19
15
5
17
22
16
3
23
27
7
25
21
16
2
22
13
4
22
4
27
31
26
11
25
5
10
20
home
12
2
23
3
5
8
24
2
74.135.08 02
74.135.08 02
28
14
6
FIT
1:1
100%

Артикул

Название

Примечание

Количество

1

87678466

SUPPORT

Fuel Tank Bottom

1шт.

2

87682383

CARRIAGE BOLT,M8 x 1.25 x 20mm, Cl 10.9

12шт.

3

86505430

CIRCLIP,#87, .668" Dia, E-Type

2шт.

4

84426640

SHIM

1шт.

5

84467465

GEAR

4шт.

6

84426637

SHAFT

1шт.

7

86507066

FLANGE NUT,M8 x 1.25, Cl 10

3шт.

8

87363874

TUBE,40.9 mm ID x 48.3 mm OD x 754.7 mm L

1шт.

9

86548974

FLANGE,Bearing

1шт.

10

86507066

FLANGE NUT,M8 x 1.25, Cl 10

16шт.

11

87573762

TUBE,40.9 mm ID x 48.3 mm OD x 235 mm L

1шт.

12

245193C2

SENSOR

RPM Sensor, Transmission and Fan

1шт.

13

425-1512

JAM NUT,Jam, 3/4"-10, G5

1шт.

14

86603075

FLANGE,Bearing, 52.01 mm ID x 95.3 mm OD x 8.7 mm

1шт.

15

87034740

SPACER,26.64mm ID x 33.40mm OD x 30mm W

1шт.

16

87757148

PULLEY

Straw Spreader Drive 10 In

1шт.

17

87757146

PULLEY

Straw Spreader Drive 8 In

1шт.

18

120061

BOLT,Hex, M8 x 60mm L, Cl 8.8

1шт.

19

9628098

NUT,M8 x 1.25, Cl 10

1шт.

20

87649537

BRACKET

2шт.

87496197

SEAL, GLASS

Seal, As Required

1шт.

278842A1

SEAL

Seal, As Required

1шт.

21

188029C1

LATCH

Main Drive Shield

2шт.

22

86624170

WASHER,1.03" ID x 1.5" OD x 0.12" Thk

10шт.

23

84426641

SHIM

1шт.

24

84426643

RETAINER

2шт.

25

84427917

SPACER

2шт.

26

84426645

CLAMP,Hex Shaft, 22.23mm ID

2шт.

27

86624169

WASHER,1.03" ID x 1.5" OD x 0.06" Thk

2шт.

28

87596824

PLATE

Straw Spreader Bearing

1шт.

29

86603075

FLANGE,Bearing, 52.01 mm ID x 95.3 mm OD x 8.7 mm

2шт.

30

87650438

BALL BEARING,22.25mm Hex x 52mm OD x 25.4mm W

1шт.

31

87030775

BOLT,M8 x 38.1mm, Cl 10.9

3шт.

Выбрано товаров: 33