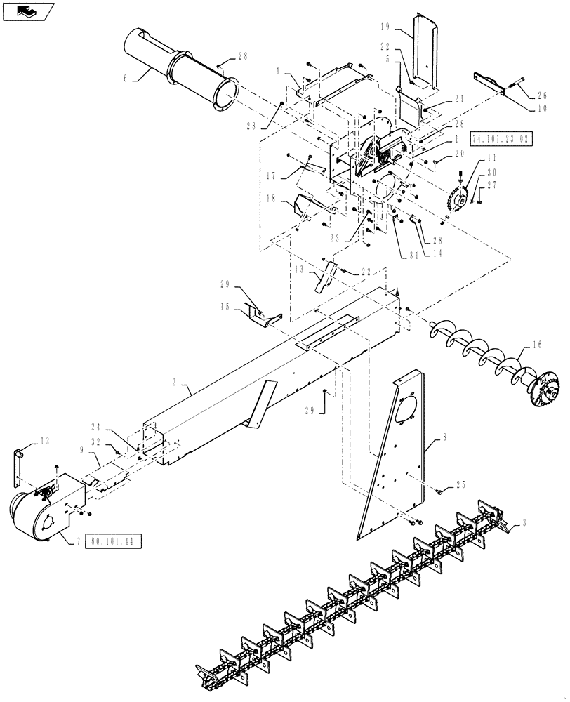
Запчасти Case IH 7130 (74.140.22) - ELEVATOR ASSEMBLY, TAILINGS (74) - CLEANING

Схема запчастей Case IH 7130 - (74.140.22) - ELEVATOR ASSEMBLY, TAILINGS (74) - CLEANING
11
19
28
29
home
3
22
23
16
28
22
7
15
10
25
20
21
29
2
13
30
1
26
9
5
31
6
32
8
74.101.23 02
80.101.44
28
17
12
28
18
27
14
24
4
FIT
1:1
100%

Артикул

Название

Примечание

Количество

1

NSS

NOT SOLD SEPARAT

Tailing Elevator, Head Assembly, See Page 74.101.23

1шт.

2

87756199

ELEVATOR TUBE

1шт.

3

1303114C91

ELEVATOR CHAIN,C550, 112 Links x 41.4mm = 4636.8mm

NA only, 182.56 Chain Length, 27 Flights, 5.78 Flight Width

1шт.

1312203C92

CHAIN (AG),C550, 112 Links x 41.4mm = 4636.8mm

EU only

1шт.

4

87735106

TOP COVER

1шт.

5

87622920

SUPPORT

1шт.

6

87687117

TUBE

1шт.

7

87622542

BOOT

Tailings Boot, Does Not Include Door, See Fig 80.101.44 For Additional Breakdown

1шт.

8

84164209

BRACKET

1шт.

9

87622917

END

1шт.

10

87622976

LOCK

Lock Bar Assembly

1шт.

11

84542305

SPROCKET

1шт.

12

84393407

SUPPORT

1шт.

13

87707059

SUPPORT

1шт.

14

142478A2

BRACKET

1шт.

15

87685994

BRACKET

1шт.

16

NSS

NOT SOLD SEPARAT

Refer to Fig 74.140.06

1шт.

17

87707064

ANGLE

1шт.

18

87703137

SUPPORT

1шт.

19

87609175

SUPPORT

1шт.

20

126-124

WOODRUFF KEY,#15, 1/4" x 1", HT

1шт.

21

87681207

BOLT,M8 x 24.1mm, Cl 10.9

15шт.

22

87656137

BOLT,Flange Hex, M8 x 20mm, Cl 10.9

9шт.

23

87698833

BOLT,M8 x 33.1mm, Cl 10.9

4шт.

24

847-3820

SERRATED SCREW,M8 x 20mm, Cl 10.9

14шт.

25

87698836

BOLT,M10 x 25mm, Full Thd, Cl 10.9

5шт.

26

9837937

BOLT,Hex, M12 x 1.75 x 100mm, Cl 8.8

2шт.

27

300484

SET SCREW

2шт.

28

86507066

FLANGE NUT,M8 x 1.25, Cl 10

46шт.

29

86050279

FLANGE NUT,M10 x 1.5, Cl 10

5шт.

30

100016

NUT,M10 x 1.5, Cl 8

2шт.

31

151670C1

SHIM

1шт.

32

847-3825

SERRATED SCREW,M8 x 25mm, Cl 10.9

1шт.

Выбрано товаров: 33