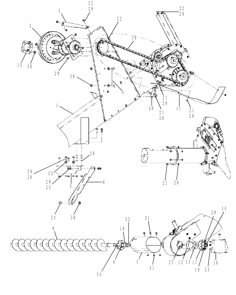
Запчасти Case IH 7130 (74.140.23) - ELEVATOR ASSEMBLY, TAILINGS INSTALLED (74) - CLEANING

Схема запчастей Case IH 7130 - (74.140.23) - ELEVATOR ASSEMBLY, TAILINGS INSTALLED (74) - CLEANING
21
24
34
26
29
17
29
16
30
13
9
28
3
7
22
21
22
33
30
25
10
31
28
21
29
12
29
6
4
1
38
11
18
28
19
21
29
23
29
2
22
20
14
27
8
5
32
30
15
28
21
FIT
1:1
100%

Артикул

Название

Примечание

Количество

1

NSS

NOT SOLD SEPARAT

Elevator Assembly, Tailings

1шт.

2

NSS

NOT SOLD SEPARAT

Elevator Jack, Drive Assembly

1шт.

3

87620385

PLATE ASSY.

1шт.

4

87711329

HANDLE

1шт.

5

87635253

BRACKET

1шт.

6

87704825

BRACKET

1шт.

7

87689184

TUBE

1шт.

8

144028A2

AUGER

1шт.

9

87740180

SPROCKET,7T

1шт.

10

84164207

CHAIN (AG),60H, 134 Links x 19.05mm = 2552.7mm

1шт.

11

87728575

SHEET

1шт.

12

87397331

FLANGE

1шт.

13

156011C92

BALL BEARING

1шт.

14

38767

COLLAR,Lock, 31.9mm ID x 44mm OD 15.9mm Thk

1шт.

15

86974037

FLANGE

1шт.

16

87740295

COVER

1шт.

17

87740297

COVER

1шт.

18

144038A1

SPACER

1шт.

19

87430514

FLANGE

1шт.

20

87757141

PLATE

1шт.

21

87656137

BOLT,Flange Hex, M8 x 20mm, Cl 10.9

13шт.

22

87698835

FLANGE BOLT,M10 x 20mm, Full Thd, Cl 10.9

8шт.

23

87698837

FLANGE BOLT,M10 x 30mm, Full Thd, Cl 10.9

6шт.

24

87030508

BOLT,Hvy Hex, M12 x 30mm, Full Thd, Cl 10.9

1шт.

25

281-1478

SELF-TAP SCREW,1/4" - 20 x 1/2"

2шт.

26

87698839

FLANGE BOLT,M10 x 40mm, Cl 10.9

2шт.

27

87682391

CARRIAGE BOLT,M10 x 1.5 x 25mm, Cl 10.9

3шт.

28

86507066

FLANGE NUT,M8 x 1.25, Cl 10

10шт.

29

86050279

FLANGE NUT,M10 x 1.5, Cl 10

19шт.

30

86512497

FLANGE NUT,M12 x 1.75, Cl 10

9шт.

31

87681210

FLANGE NUT,M8 x 1.25, Cl 10

3шт.

32

495-81202

WASHER,1 9/32" x 1 3/4" x .060"

1шт.

33

140046

BELLEVILLE WASHER,M12 Bolt Size x 27mm OD x 1.8mm Thk

1шт.

34

Q1443

KEY,5/16" Sq x 1 1/2", Par

1шт.

Выбрано товаров: 34