Запчасти Case IH 7130 (88.230.19) - CHOPPER INSTALLATION, FIXED BLADE (88) - ACCESSORIES

Схема запчастей Case IH 7130 - (88.230.19) - CHOPPER INSTALLATION, FIXED BLADE (88) - ACCESSORIES
6
32
29
3
18
15
18
24
88.220.06
15
10
19
20
21
1
25
9
18
28
10
4
12
18
20
5
14
20
16
17
15
33
15
11
15
13
16
21
26
22
23
27
26
15
7
8
7
29
27
16
16
2
19
FIT
1:1
100%

Артикул

Название

Примечание

Количество

1

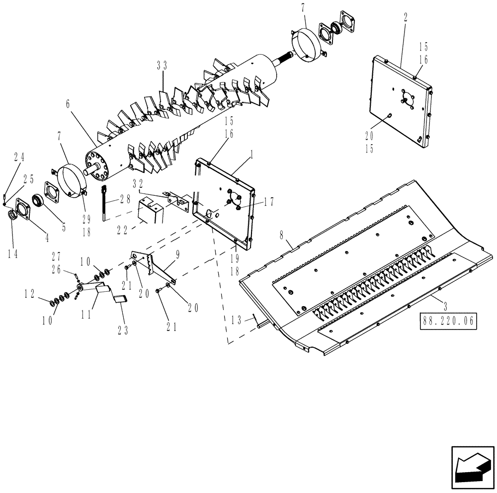
87649793

SUPPORT ASSY.

Chopper, Left Hand

1шт.

2

87649796

SUPPORT ASSY.

Chopper, Right Hand

1шт.

3

NSS

NOT SOLD SEPARAT

CHOPPER BOTTOM SUB

1шт.

4

84151831

FLANGE

4шт.

5

47415231

BALL BEARING,45mm ID x 85mm OD x 22mm W

Includes Locking Collar (NSS) And Set Screw (NSS)

2шт.

6

84137786

ROLLER,203.2mm OD x 1849.1mm L

1шт.

7

87693310

SUPPORT ASSY.

Chopper Drum Wrap With Hardware

2шт.

8

182980C1

ROD,11.11mm OD x 1556mm L

Hinge

1шт.

9

87735186

PLATE

Chopper Adjust Detent

1шт.

10

495-81057

WASHER,23.01mm ID x 38.1mm OD x 3.4mm Thk

6шт.

11

87735079

SHAFT

Chopper Adjust

1шт.

12

495-81056

WASHER,29/32" x 1 1/2" x 3/64

1шт.

13

432-820

COTTER PIN,1/8" x 1 1/4"

1шт.

14

NSS

NOT SOLD SEPARAT

Not Used

1шт.

15

87698836

BOLT,M10 x 25mm, Full Thd, Cl 10.9

16шт.

16

86050279

FLANGE NUT,M10 x 1.5, Cl 10

14шт.

17

87681209

FLANGE NUT,Hex, M12 x 1.75, Cl 10

8шт.

18

87656137

BOLT,Flange Hex, M8 x 20mm, Cl 10.9

8шт.

19

86507066

FLANGE NUT,M8 x 1.25, Cl 10

4шт.

20

496-41041

WASHER,13/32" x 1 1/8" x .134"

4шт.

21

87698837

FLANGE BOLT,M10 x 30mm, Full Thd, Cl 10.9

2шт.

22

87473361

COVER ASSY

SHIELDS, Chopper, Left Hand (See Page 88.230.22)

1шт.

23

402987A1

GRIP

Chopper Adjust

1шт.

24

87473296

SET SCREW,Sq Hd, M10 x 1 x 20mm, Cl 12.9

1шт.

24

393598

SET SCREW,M10 x 20mm, Cl 12.9

, Start Serial: YCG009179

1шт.

25

84022934

NUT,M10 x 1, Cl 8

1шт.

26

485-13116

SET SCREW,Sq Hd, 5/16"-18 x 1", Cup pt

2шт.

27

425-105

NUT,5/16"-18, G5

2шт.

28

87650675

SENSOR

12 mm, Hall RPM

1шт.

29

87681210

FLANGE NUT,M8 x 1.25, Cl 10

4шт.

30

87698838

FLANGE BOLT,M10 x 35mm, Full Thd, Cl 10.9

M10 x 35 10.9, FLG

2шт.

31

825-51410

FLANGE NUT,M10, Flg Ser

2шт.

32

87703786

BRACKET

Chopper Sensor

1шт.

33

409731A1

BLADE

1шт.

34

87109745

PLUG

Plastic Plugs

1шт.

Выбрано товаров: 35