Запчасти Case IH 7130 (10.254.14) - EXHAUST ASSEMBLY, 7130 T4 (10) - ENGINE

Схема запчастей Case IH 7130 - (10.254.14) - EXHAUST ASSEMBLY, 7130 T4 (10) - ENGINE
22
11
14
25
10
7
5
13
6
33
34
30
19
26
13
home
9
24
23
17
20
27
13
13
3
32
16
13
26
1
15
18
16
12
21
29
14
4
14
31
8
28
14
14
25
27
2
FIT
1:1
100%

Артикул

Название

Примечание

Количество

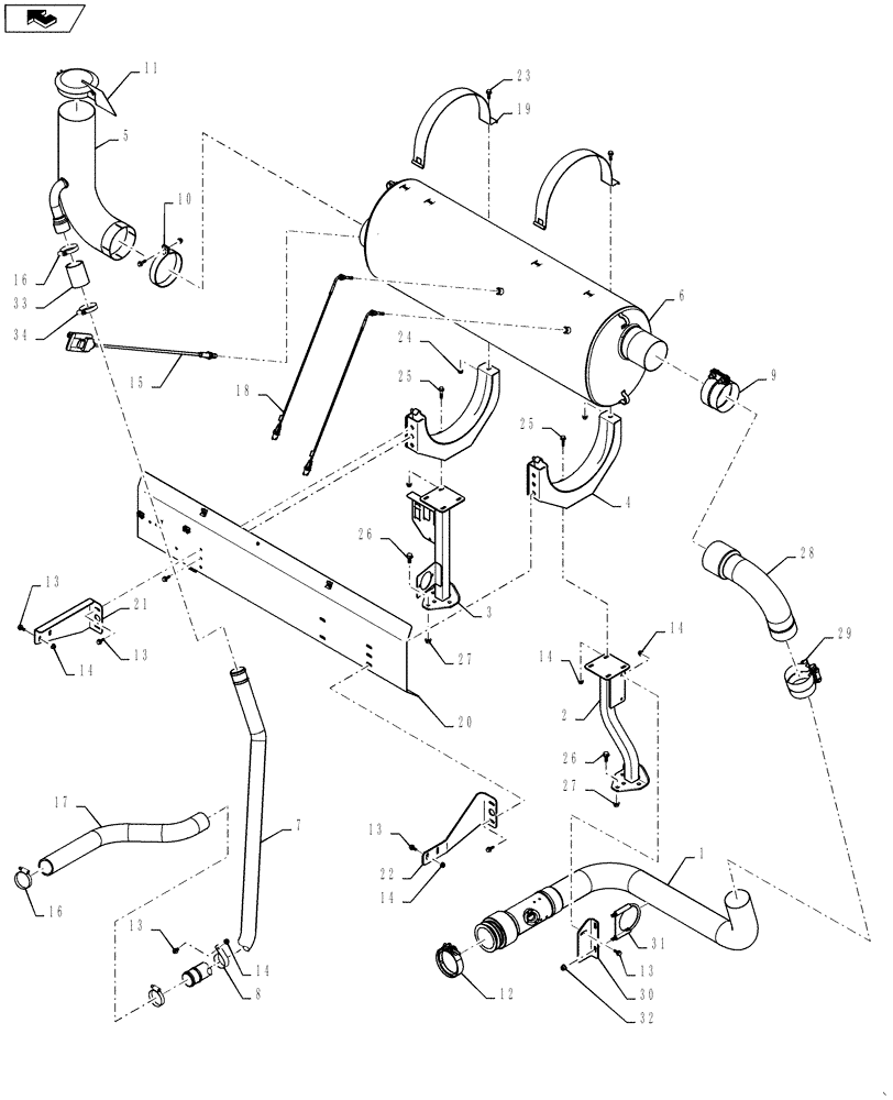
1

84398524

EXHAUST SYSTEM PIPE

1шт.

2

84389241

TUBE

1шт.

3

84528292

SUPPORT

1шт.

4

84348634

SUPPORT

2шт.

5

84193970

TUBE

1шт.

6

84248987

MUFFLER

1шт.

7

84403319

AIR INTAKE TUBE

1шт.

8

87552805

CLAMP,50.8mm, Coat, 10.3mm Bolt Hole, P Type

1шт.

9

87494547

COLLAR CLAMP

1шт.

10

84193757

CLAMP,122mm - 130mm, Band

1шт.

11

86997809

COVER

1шт.

12

87639007

CLAMP

1шт.

13

87656137

BOLT,Flange Hex, M8 x 20mm, Cl 10.9

13шт.

14

86507066

FLANGE NUT,M8 x 1.25, Cl 10

15шт.

15

84422745

SENSOR

NOx Sensor

1шт.

16

86625019

HOSE CLAMP,44mm - 67mm

3шт.

17

84396101

HOSE

1шт.

18

87482353

SENSOR

Exhaust Temperature

2шт.

19

84277445

STRAP

2шт.

20

84357703

HEAT SHIELD

1шт.

21

84347720

SUPPORT

1шт.

22

84347722

SUPPORT

1шт.

23

87030775

BOLT,M8 x 38.1mm, Cl 10.9

2шт.

24

87681210

FLANGE NUT,M8 x 1.25, Cl 10

2шт.

25

87698833

BOLT,M8 x 33.1mm, Cl 10.9

8шт.

26

87698836

BOLT,M10 x 25mm, Full Thd, Cl 10.9

6шт.

27

86050279

FLANGE NUT,M10 x 1.5, Cl 10

6шт.

28

84276290

ELBOW

1шт.

29

84276429

CLAMP

1шт.

30

84388663

PLATE

1шт.

31

84550611

CLAMP

1шт.

32

86521609

FLANGE NUT,Flg, 3/8"-16

2шт.

33

87308234

HOSE,32mm ID - 66.67mm ID x 16mm W, Unlined

1шт.

34

86625019

HOSE CLAMP,44mm - 67mm

1шт.

Выбрано товаров: 34