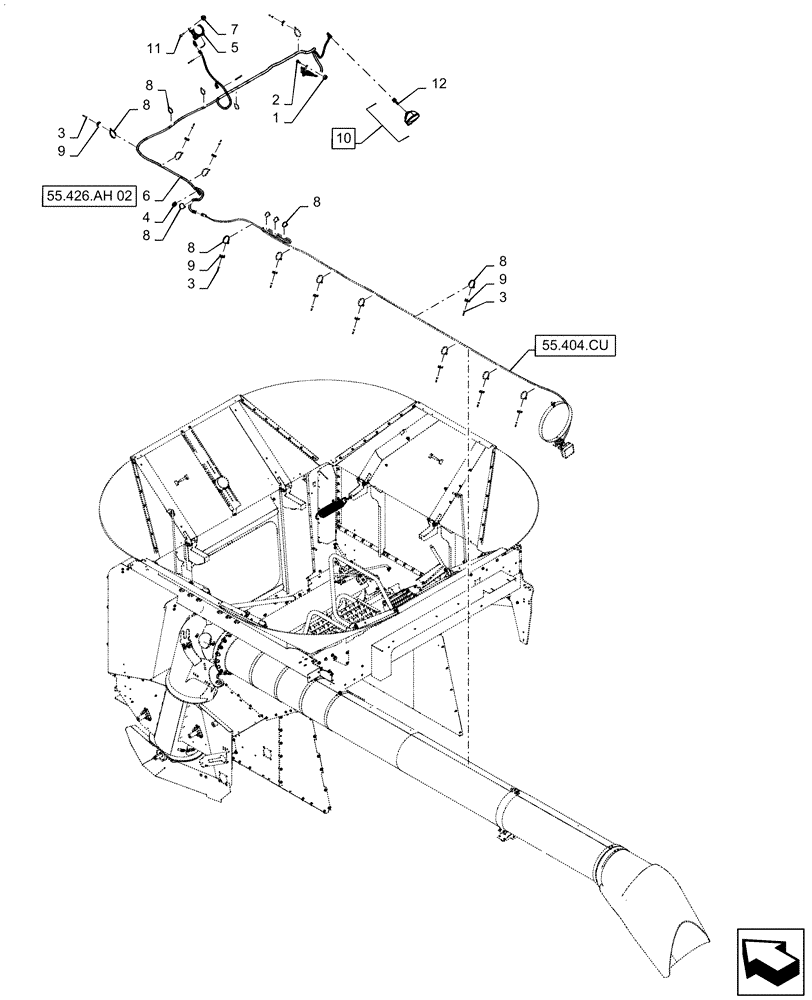
Запчасти Case IH 7140 (55.426.AH[01]) - WIRING ASSY, GRAIN TANK (55) - ELECTRICAL SYSTEMS

Схема запчастей Case IH 7140 - (55.426.AH[01]) - WIRING ASSY, GRAIN TANK (55) - ELECTRICAL SYSTEMS
55.404.cu
8
2
8
12
6
9
10
3
5
8
1
3
8
8
11
3
4
8
9
7
9
55.426.ah 02
FIT
1:1
100%

Артикул

Название

Примечание

Количество

1

100012

NUT,M4 x 0.7, Cl 8

4шт.

2

412064

BOLT,Hex, M4 x 16mm, Cl 8.8, Full Thd

4шт.

3

445395

RIVET,Pop, 4.8mm OD x 18.1mm L

4шт.

4

86637780

GROMMET,5/8" ID x 1 1/4" Groove Dia, Str Cut

1шт.

5

84545938

SENSOR

Grain Bin Level

1шт.

6

84524019

WIRE HARNESS

Grain Tank

1шт.

7

86507066

FLANGE NUT,M8 x 1.25, Cl 10

4шт.

8

86566989

CABLE TIE,208mm L

11шт.

9

86590413

BASE,15.87mm W x 22.22mm OAL x 9.9mm Thk

Wire Tie

4шт.

10

87329757

LAMP,Halogen, 12V, 16W, Clear

12 V, 16W, Incl 12

1шт.

11

87656137

BOLT,Flange Hex, M8 x 20mm, Cl 10.9

4шт.

12

87329813

BULB,Halogen, 12.8V, 16W

12 V, 16W #892

1шт.

Выбрано товаров: 0