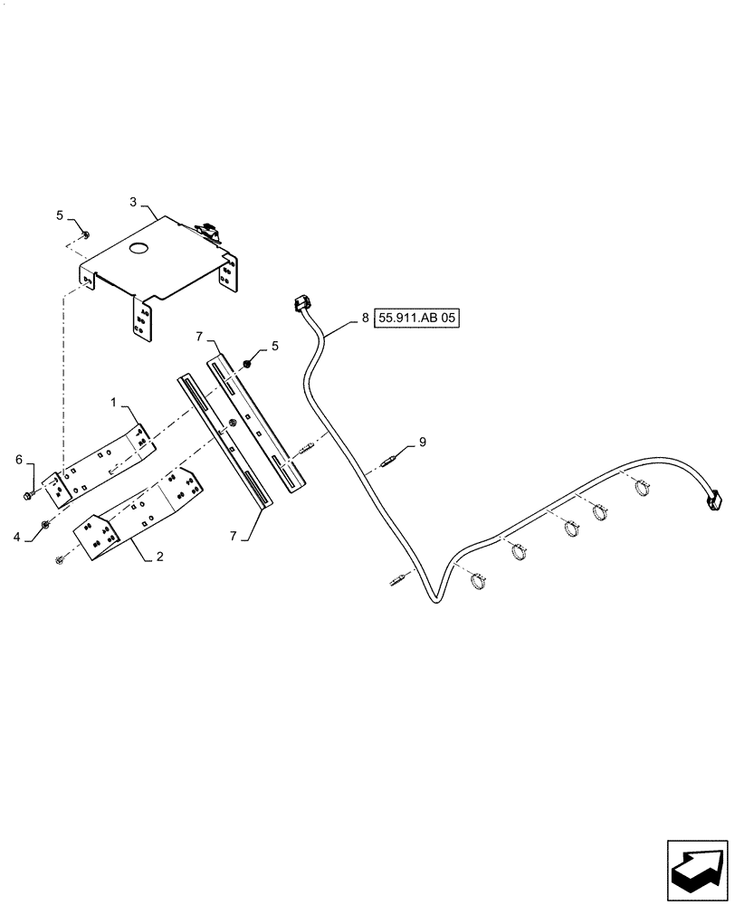
Запчасти Case IH 7140 (55.911.AB[04]) - GPS RECEIVER GRAIN TANK MOUNTING (55) - ELECTRICAL SYSTEMS

Схема запчастей Case IH 7140 - (55.911.AB[04]) - GPS RECEIVER GRAIN TANK MOUNTING (55) - ELECTRICAL SYSTEMS
55.911.ab 05
2
5
3
7
6
1
8
4
5
9
7
FIT
1:1
100%

Артикул

Название

Примечание

Количество

1

87335635

BRACKET

Lower Base

1шт.

2

87335677

BRACKET

Upper Base

1шт.

3

87488331

BRACKET

Mounting Plate

1шт.

4

86507486

CARRIAGE BOLT,M8 x 1.25 x 20mm, Cl 8.8

4шт.

5

86507066

FLANGE NUT,M8 x 1.25, Cl 10

8шт.

6

87656137

BOLT,Flange Hex, M8 x 20mm, Cl 10.9

4шт.

7

87623906

BRACKET

GPS Extension

2шт.

8

87550514

WIRE HARNESS

AFS252 To Combine

1шт.

9

306132C1

CABLE TIE,14.5" L

8шт.

Выбрано товаров: 0