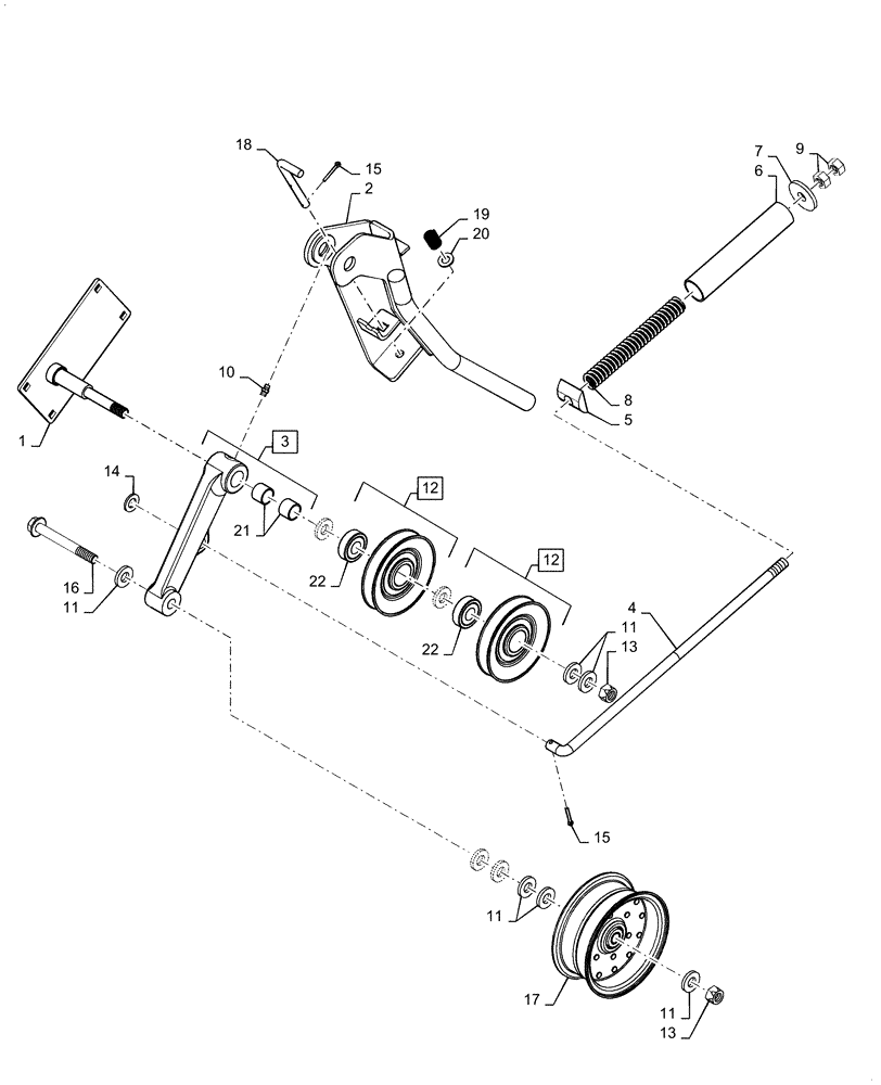
Запчасти Case IH 7140 (73.335.AG[01]) - STRAW SPREADER HOOD IDLER ASSY (73) - RESIDUE HANDLING

Схема запчастей Case IH 7140 - (73.335.AG[01]) - STRAW SPREADER HOOD IDLER ASSY (73) - RESIDUE HANDLING
13
2
15
11
21
10
9
5
17
8
16
12
1
7
15
11
19
4
22
11
3
12
20
14
6
18
13
11
22
FIT
1:1
100%

Артикул

Название

Примечание

Количество

1

87559875

TIGHTENER

Idler Pulley Mount

1шт.

2

87639306

LEVER ASSY.

Spreader Drive, Dark Gray

1шт.

3

87668016

ARM ASSY.

Idler, Incl 21

1шт.

4

87647641

ROD

Belt Tensioner Spreader

1шт.

5

194652C1

PIVOT

Primary

1шт.

6

1315197C1

SPACER

Spreader Drive

1шт.

7

9511052

WASHER,13.5mm ID x 44mm OD x 4mm Thk

1шт.

8

1315223C1

SPRING

Spreader Drive

1шт.

9

9706685

NUT,M12 x 1.75, Cl 8

2шт.

10

219-87

LUBE NIPPLE,1/4" - 28 NPTF

1шт.

11

86625256

WASHER,13.3mm ID x 28.5mm OD x 4mm Thk

10шт.

12

87668029

IDLER,73.64mm Idler Dia x 110.59mm OD x 20.78mm W

Flanged Idler, Dark Gray, Incl 22

2шт.

13

100038

NUT,M12 x 1.75, Cl 8

2шт.

14

86511324

WASHER,13mm ID x 24mm OD x 2.5mm Thk

1шт.

15

130004

COTTER PIN,2.9mm OD x 31.4mm OAL

2шт.

16

87032825

BOLT,Hvy Hex, M12 x 100mm, Cl 10.9

1шт.

17

87559515

PULLEY

Idler, Dark Gray

1шт.

18

186736C3

ROD

Tailgate Lock Pin

1шт.

19

540815R2

SPRING

Compressing Ratchet Hub Pawl

1шт.

20

86511323

WASHER,10.5mm ID x 20mm OD x 2mm Thk

1шт.

21

1979989C1

BUSHING,19.13mm ID x 22.3mm OD x 15.7mm L

Idler Arm

2шт.

22

465004R91

BEARING ASSY,0.6693" ID x 1.5748" OD x 0.4724"

Idler Pulley

1шт.

Выбрано товаров: 22