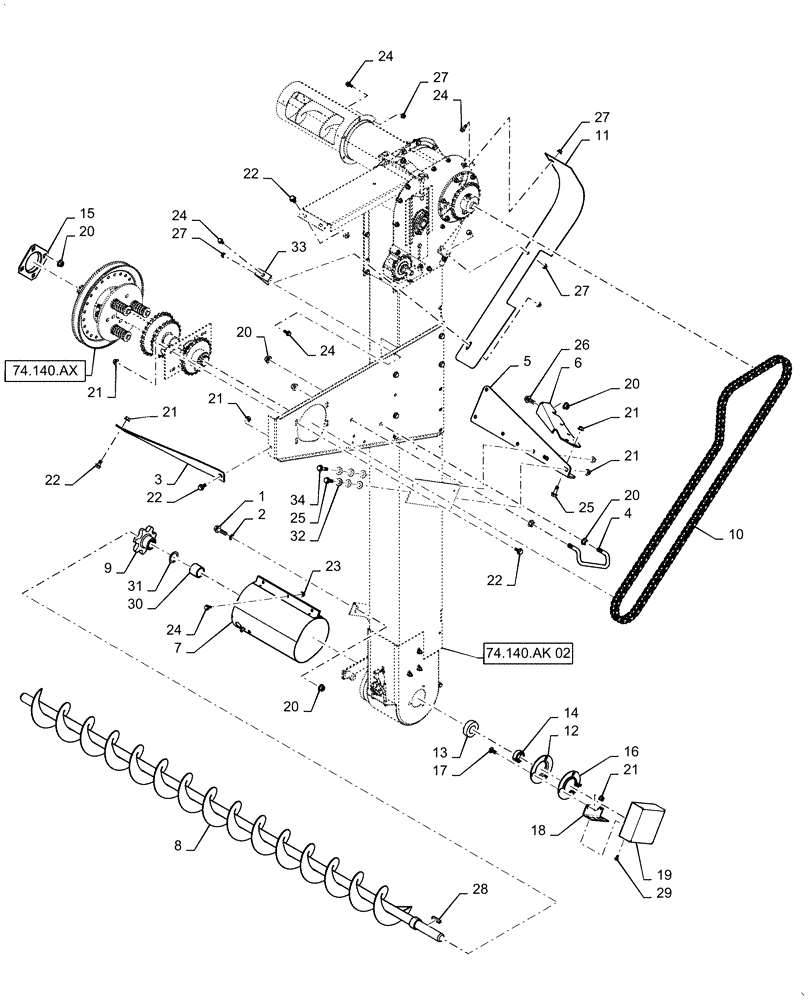
Запчасти Case IH 7140 (74.140.AK[01]) - TAILINGS ELEVATOR (74) - CLEANING

Схема запчастей Case IH 7140 - (74.140.AK[01]) - TAILINGS ELEVATOR (74) - CLEANING
2
29
16
74.140.ak 02
13
8
27
24
21
32
7
19
74.140.ax
4
26
20
30
24
22
20
9
21
27
21
15
25
25
17
27
20
14
21
24
22
3
34
20
18
21
23
6
12
28
24
21
22
31
33
27
10
1
24
20
11
5
22
FIT
1:1
100%

Артикул

Название

Примечание

Количество

1

87695413

BOLT,M12 x 51.8mm, Cl 10.9

2шт.

2

87698855

PUSH-ON NUT

M12

2шт.

3

87620385

PLATE ASSY.

Support, Outer Elevator Jackshaft

1шт.

4

87711329

HANDLE

Elevator Step

1шт.

5

87635253

BRACKET

Elevator Support, Upper

1шт.

6

47439788

BRACKET

Elevator Support, Lower

1шт.

7

87689184

TUBE

Tailings Trough Extension

1шт.

8

144028A2

AUGER

Tailings, Lower

1шт.

9

87740180

SPROCKET,7T

7 Tooth

1шт.

10

84164207

CHAIN (AG),60H, 134 Links x 19.05mm = 2552.7mm

Tailings Elevator Drive

1шт.

11

87728575

SHEET

Strip, Shield, Tailings Elevator

1шт.

12

47417549

FLANGE

62mm ID

1шт.

13

156011C92

BALL BEARING

62mm OD

1шт.

14

38767

COLLAR,Lock, 31.9mm ID x 44mm OD 15.9mm Thk

31.75mm ID

1шт.

15

86974037

FLANGE

80mm ID

1шт.

16

47417550

FLANGE

62mm ID

1шт.

17

87682391

CARRIAGE BOLT,M10 x 1.5 x 25mm, Cl 10.9

3шт.

18

87740297

COVER

Tailings Shaft Speed Sensor Mount

1шт.

19

87740295

COVER

Tailings Shaft Speed Sensor

1шт.

20

86512497

FLANGE NUT,M12 x 1.75, Cl 10

11шт.

21

86050279

FLANGE NUT,M10 x 1.5, Cl 10

19шт.

22

87698835

FLANGE BOLT,M10 x 20mm, Full Thd, Cl 10.9

8шт.

23

87681210

FLANGE NUT,M8 x 1.25, Cl 10

3шт.

24

87656137

BOLT,Flange Hex, M8 x 20mm, Cl 10.9

13шт.

25

87698837

FLANGE BOLT,M10 x 30mm, Full Thd, Cl 10.9

6шт.

26

87030508

BOLT,Hvy Hex, M12 x 30mm, Full Thd, Cl 10.9

1шт.

27

86507066

FLANGE NUT,M8 x 1.25, Cl 10

10шт.

28

Q1443

KEY,5/16" Sq x 1 1/2", Par

1шт.

29

281-1478

SELF-TAP SCREW,1/4" - 20 x 1/2"

2шт.

30

144038A1

SPACER

41.3mm OD x 32.9mm ID x 34.9mm

1шт.

31

495-81202

WASHER,1 9/32" x 1 3/4" x .060"

1шт.

32

140046

BELLEVILLE WASHER,M12 Bolt Size x 27mm OD x 1.8mm Thk

12шт.

33

87757141

PLATE

Side Shield

1шт.

34

87698839

FLANGE BOLT,M10 x 40mm, Cl 10.9

2шт.

Выбрано товаров: 34