Запчасти Case IH 7140 (73.230.AM[01]) - VAR - 425535 - ROTOR, STRAW CHOPPER, FLAIL (73) - RESIDUE HANDLING

Схема запчастей Case IH 7140 - (73.230.AM[01]) - VAR - 425535 - ROTOR, STRAW CHOPPER, FLAIL (73) - RESIDUE HANDLING
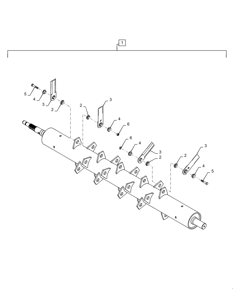
2
4
2
3
5
3
6
4
6
4
3
4
3
1
5
2
2
FIT
1:1
100%

Артикул

Название

Примечание

Количество

1

47738679

ROTOR

Flail Chopper W/ Blades, Incl 2 - 6

1шт.

2

1322242C1

SPACER

Knife Mount

52шт.

3

87593795

KNIFE BLADE

Serrated

52шт.

4

1994758C2

BUSHING,10.5mm ID x 30mm OD x 15mm L

Pivot, Knife Mount

52шт.

5

84437627

BOLT,M10 x 55mm, Cl 10.9

26шт.

6

87030549

NUT,M10 x 1.5, Cl 10

26шт.

Выбрано товаров: 0