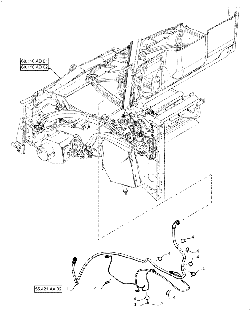
Запчасти Case IH 7140 (55.421.AX[01]) - WIRE HARNESS, FEEDER (55) - ELECTRICAL SYSTEMS

Схема запчастей Case IH 7140 - (55.421.AX[01]) - WIRE HARNESS, FEEDER (55) - ELECTRICAL SYSTEMS
55.421.ax 02
5
1
4
4
3
2
4
4
4
4
4
60.110.ad 02
60.110.ad 01
FIT
1:1
100%

Артикул

Название

Примечание

Количество

1

47748794

WIRE HARNESS

Feeder

1шт.

2

86590413

BASE,15.87mm W x 22.22mm OAL x 9.9mm Thk

Wire Tie

1шт.

3

445395

RIVET,Pop, 4.8mm OD x 18.1mm L

1шт.

4

86566989

CABLE TIE,208mm L

16шт.

5

84292754

CLIP,Cable Tie W/ Fir Tree, 5mm OD x 203mm OAL

1шт.

Выбрано товаров: 5