Запчасти Case IH 7140 (55.426.AH[01]) - GRAIN TANK WIRE HARNESS (55) - ELECTRICAL SYSTEMS

Схема запчастей Case IH 7140 - (55.426.AH[01]) - GRAIN TANK WIRE HARNESS (55) - ELECTRICAL SYSTEMS
7
8
2
18
16
9
1
18
4
55.404.cu 02
11
14
10
13
5
55.101.ac 03
9
9
11
12
16
19
9
12
15
9
55.404.cu 01
9
3
17
7
6
11
8
55.101.ac 02
12
FIT
1:1
100%

Артикул

Название

Примечание

Количество

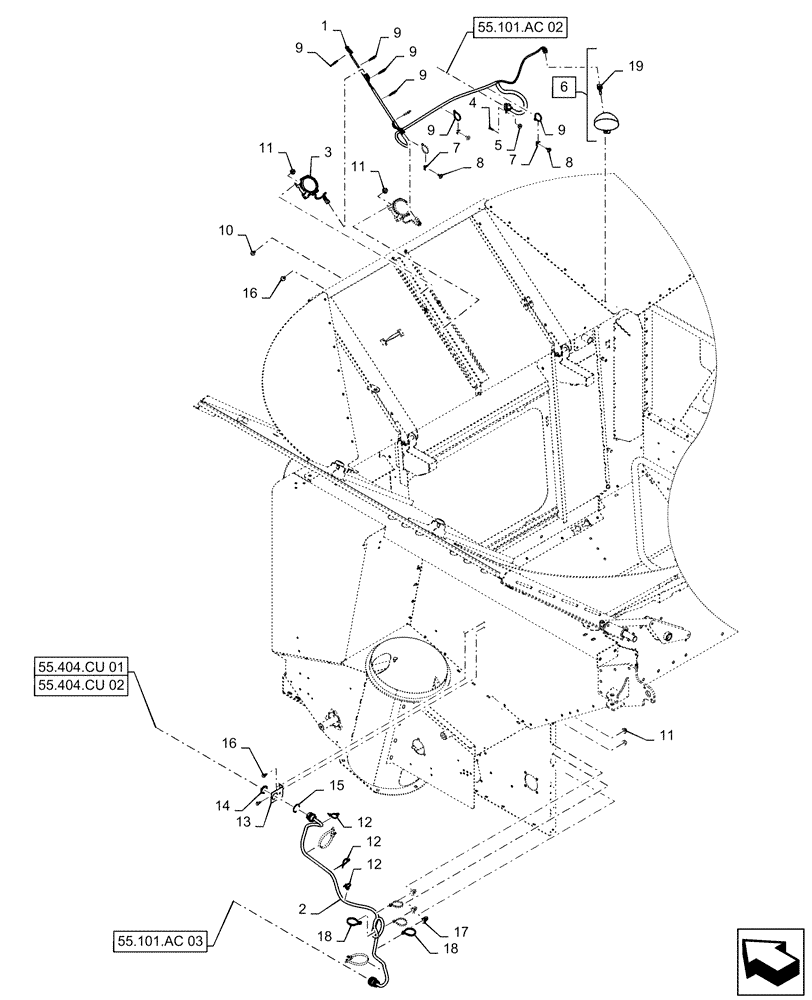
1

47497215

WIRE HARNESS

Grain Tank

1шт.

2

47501325

WIRE HARNESS

Grain Tank to Unload Tube

1шт.

3

84545938

SENSOR

Grain Bin Level

1шт.

4

412064

BOLT,Hex, M4 x 16mm, Cl 8.8, Full Thd

4шт.

5

100012

NUT,M4 x 0.7, Cl 8

4шт.

6

87329757

LAMP,Halogen, 12V, 16W, Clear

Incl 19

1шт.

7

86590413

BASE,15.87mm W x 22.22mm OAL x 9.9mm Thk

Wire Tie

3шт.

8

445395

RIVET,Pop, 4.8mm OD x 18.1mm L

3шт.

9

86566989

CABLE TIE,208mm L

8шт.

10

87698833

BOLT,M8 x 33.1mm, Cl 10.9

4шт.

11

86507066

FLANGE NUT,M8 x 1.25, Cl 10

6шт.

12

84292754

CLIP,Cable Tie W/ Fir Tree, 5mm OD x 203mm OAL

3шт.

13

47639622

BRACKET

Bulkhead

1шт.

14

86619907

NUT,1.6875"-18

1шт.

15

84420455

LOCK WASHER,48mm ID x 45.8mm OD

Connector

1шт.

16

87656137

BOLT,Flange Hex, M8 x 20mm, Cl 10.9

2шт.

17

47746224

MOUNT

Wire Connector

3шт.

18

529070

CABLE TIE,368.3mm L

4шт.

19

87329813

BULB,Halogen, 12.8V, 16W

16W Lamp

1шт.

Выбрано товаров: 19