Запчасти Case IH 7140 (60.110.AD[02]) - VAR - 425086, 425087, 425088, 425125, 425126 - FEEDER, STONE TRAP (60) - PRODUCT FEEDING

Схема запчастей Case IH 7140 - (60.110.AD[02]) - VAR - 425086, 425087, 425088, 425125, 425126 - FEEDER, STONE TRAP (60) - PRODUCT FEEDING
11
39
32
42
26
13
38
28
37
19
3
36
23
34
42
20
36
60.110.at
8
18
30
14
29
9
21
1
60.150.ad 02
2
27
4
7
12
34
25
5
15
17
41
6
11
60.110.ad 02
16
35
10
33
24
40
27
43
22
41
34
11
60.165.ar
31
FIT
1:1
100%

Артикул

Название

Примечание

Количество

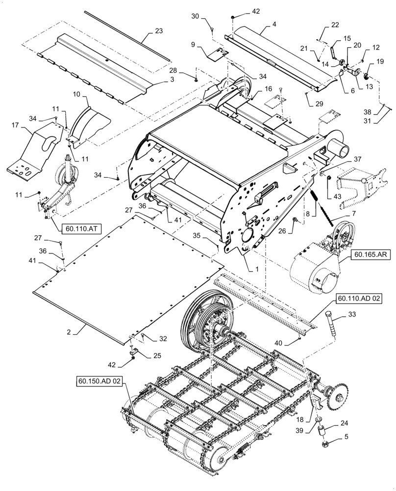
1

47473780

FEEDER

Body

1шт.

2

87727365

SHEET ASSY.

Feeder Floor

1шт.

2

87535463

SHEET

Feeder Floor, Perforated

1шт.

3

84215091

DOOR

Top

1шт.

4

84261477

COVER ASSY

Top

1шт.

5

87752066

NUT

M30

2шт.

6

84215095

ANGLE

Door Stop

2шт.

7

635503R1

SPRING,148.8mm Free Length

Pedal Return

2шт.

8

167570C1

CHAIN,203.2mm L

Coil Automatic Platform Finger Stop

2шт.

9

87748011

STRIPPER

Feeder Pivot

3шт.

10

87712040

COVER ASSY

Drive Shield

1шт.

11

86507066

FLANGE NUT,M8 x 1.25, Cl 10

6шт.

12

86050300

FLANGE NUT,M6 x 1.0, Cl 10

3шт.

13

84127177

BRACKET

Sensor

1шт.

14

87362420

MOUNT

Sensor

1шт.

15

84538095

SHAFT

Position Sensor

1шт.

16

825-51410

FLANGE NUT,M10, Flg Ser

6шт.

17

47915370

SHIELD

Feeder Drive

1шт.

18

47491856

RETAINER

Pivot

2шт.

19

87330286

SENSOR

Position

1шт.

20

86000439

SNAP RING,0.288" ID x 0.66" OD x 0.037" Thk, External

1шт.

21

9821714

CLIP

Sensor

2шт.

22

87720415

CONNECTING LINK

Sensor

1шт.

23

87666924

ROD

Hinge

1шт.

24

87499320

SPACER,31.8mm ID x 50.8mm OD x 75mm L

Retainer Bolt

2шт.

25

87709918

SPACER

Floor

2шт.

26

87698766

FLANGE BOLT,M16 x 45.4mm, Cl 10.9

2шт.

27

87682392

CARRIAGE BOLT,M10 x 1.5 x 30mm, Cl 10.9

21шт.

28

9503839

CARRIAGE BOLT,Short NK, M12 x 25, Cl8.8, Full Thd

2шт.

29

87752072

CARRIAGE BOLT,M6 x 1.0 x 26.6mm, Cl 10.9

3шт.

30

87682391

CARRIAGE BOLT,M10 x 1.5 x 25mm, Cl 10.9

6шт.

31

87384106

BOLT,M4 x 42.92mm, Cl 8.8

2шт.

32

87698853

CARRIAGE BOLT,Sht Sq Nk, M12 x 50mm, Cl 10.9, Full Thd

4шт.

33

47677236

BOLT,Hex, M30 x 260mm, Cl 12.9

2шт.

34

87682383

CARRIAGE BOLT,M8 x 1.25 x 20mm, Cl 10.9

6шт.

35

87015849

SCREW,Phillips Drive, Flat HD, M6 x 20mm, Cl 5.8

8шт.

36

86625253

WASHER,11mm ID x 24mm OD x 2mm Thk

21шт.

37

87639783

WASHER,0.69" ID x 1.75" OD x 0.12" Thk

2шт.

38

322355

BELLEVILLE WASHER,M4 Bolt Size x 10mm OD x 0.9mm Thk

2шт.

39

86511329

WASHER,31mm ID x 56mm OD x 4mm Thk

2шт.

40

353308

NUT,M6 x 1.0, Cl 8

8шт.

41

86050279

FLANGE NUT,M10 x 1.5, Cl 10

21шт.

42

86512497

FLANGE NUT,M12 x 1.75, Cl 10

6шт.

43

86512498

FLANGE NUT,M16 x 2, Cl 10

2шт.

Выбрано товаров: 44