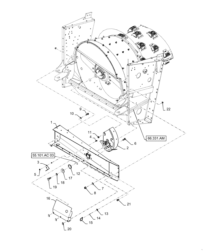
Запчасти Case IH 7140 (66.331.AL[02]) - VAR 722808, 722885, 722886 - SUPPORT, ROTOR, FRONT, LARGE TUBE (66) - THRESHING

Схема запчастей Case IH 7140 - (66.331.AL[02]) - VAR 722808, 722885, 722886 - SUPPORT, ROTOR, FRONT, LARGE TUBE (66) - THRESHING
18
6
1
12
3
17
8
22
10
16
2
5
66.331.am
19
4
11
20
15
21
13
55.101.ac 03
9
7
14
FIT
1:1
100%

Артикул

Название

Примечание

Количество

1

87613390

SUPPORT ASSY.

Rotor, Front

1шт.

2

87680031

THRUST BEARING

Rotor Support, Front

1шт.

3

87648025

SUPPORT

Rotor Speed Sensor Mount

1шт.

4

87698833

BOLT,M8 x 33.1mm, Cl 10.9

2шт.

5

86507066

FLANGE NUT,M8 x 1.25, Cl 10

4шт.

6

374835

BOLT,Hex, M16 x 2 x 40mm, Cl 10.9, Full Thd

3шт.

7

86639326

WASHER,17.3mm ID x 34.5mm OD x 5mm Thk

3шт.

8

86512498

FLANGE NUT,M16 x 2, Cl 10

3шт.

9

86705431

BOLT,Hex, M12 x 40mm, Cl 10.9

2шт.

10

86625256

WASHER,13.3mm ID x 28.5mm OD x 4mm Thk

2шт.

11

86512497

FLANGE NUT,M12 x 1.75, Cl 10

2шт.

12

495-81097

WASHER,51.59mm ID x 69.85mm OD x 2.29mm Thk

1шт.

13

86590413

BASE,15.87mm W x 22.22mm OAL x 9.9mm Thk

Wire Tie

4шт.

14

445395

RIVET,Pop, 4.8mm OD x 18.1mm L

4шт.

15

86566989

CABLE TIE,208mm L

4шт.

16

87681895

BRACKET, SUPPORTING

Rotor RPM Sensor

1шт.

17

70330C1

WASHER,19.84mm ID x 63.5mm OD x 6.35mm Thk

1шт.

18

492-11075

LOCK WASHER,3/4"

1шт.

19

424-1228

BOLT,Hex, 3/4" - 10 x 1-3/4", Gr 2

1шт.

20

833-40310

NUT,M10, U

3шт.

21

87030508

BOLT,Hvy Hex, M12 x 30mm, Full Thd, Cl 10.9

7шт.

22

86512497

FLANGE NUT,M12 x 1.75, Cl 10

7шт.

Выбрано товаров: 22