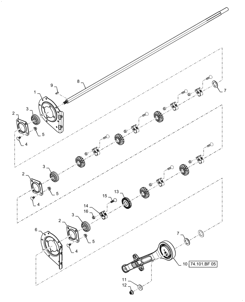
Запчасти Case IH 7140 (74.101.BB[01]) - VAR - 425447 - CROSS FLOW DRIVE SHAFT (74) - CLEANING

Схема запчастей Case IH 7140 - (74.101.BB[01]) - VAR - 425447 - CROSS FLOW DRIVE SHAFT (74) - CLEANING
74.101.bf 05
2
5
4
4
9
8
13
14
2
10
3
3
6
16
4
12
7
2
3
5
7
11
15
1
5
FIT
1:1
100%

Артикул

Название

Примечание

Количество

1

47860519

PLATE

RH, Shaker Shaft Bearing

1шт.

2

47846539

FLANGE

80mm Spherical Bearing Housing

6шт.

3

87491115

BALL BEARING,28.6mm Hex x 80mm OD x 28mm W

3шт.

4

9503839

CARRIAGE BOLT,Short NK, M12 x 25, Cl8.8, Full Thd

10шт.

5

86512497

FLANGE NUT,M12 x 1.75, Cl 10

10шт.

6

47860516

PLATE

LH, Shaker Shaft Bearing

1шт.

7

188354C1

WASHER,35.71mm ID x 57.15mm OD x 3.05mm Thk

3шт.

8

47756849

SHAFT

Shaker Drive

1шт.

9

126-124

WOODRUFF KEY,#15, 1/4" x 1", HT

1шт.

10

47888899

PITMAN

LH

1шт.

11

47730347

WASHER

Shaker Cam

1шт.

12

47429686

NUT

Flange, M16

1шт.

13

47879449

GEAR

Bevel, Driver Auger Bed, 17T

6шт.

14

47910886

CLAMP

Shaft

7шт.

15

47876040

BOLT

Carriage, M12 x 60

7шт.

16

100038

NUT,M12 x 1.75, Cl 8

7шт.

Выбрано товаров: 16