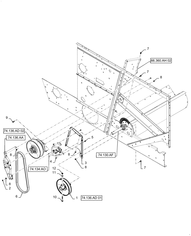
Запчасти Case IH 7140 (74.136.AC[02]) - CLEANING FAN DRIVE (74) - CLEANING

Схема запчастей Case IH 7140 - (74.136.AC[02]) - CLEANING FAN DRIVE (74) - CLEANING
12
74.136.ad 01
5
3
2
7
74.130.af
8
6
4
74.136.aa
74.136.ad 02
7
66.360.ah 02
8
8
8
9
1
11
7
74.134.ao
8
10
FIT
1:1
100%

Артикул

Название

Примечание

Количество

1

87494908

PULLEY

Cleaning Fan

1шт.

2

86500689

NUT,M10 x 1.5, Cl 10

1шт.

3

47592373

SUPPORT

Fan Variator

1шт.

4

86507066

FLANGE NUT,M8 x 1.25, Cl 10

4шт.

5

87656137

BOLT,Flange Hex, M8 x 20mm, Cl 10.9

4шт.

6

84238446

V-BELT,38.8mm W x 1848mm L

Variable Cleaning Fan Drive

1шт.

7

87698836

BOLT,M10 x 25mm, Full Thd, Cl 10.9

8шт.

8

86050279

FLANGE NUT,M10 x 1.5, Cl 10

13шт.

9

87698838

FLANGE BOLT,M10 x 35mm, Full Thd, Cl 10.9

4шт.

10

86508581

BOLT,Hex, M12 x 90mm, Cl 8.8

1шт.

11

87613293

WASHER,0.53" ID x 1.06" OD x 0.19" Thk

1шт.

12

87681209

FLANGE NUT,Hex, M12 x 1.75, Cl 10

1шт.

Выбрано товаров: 12