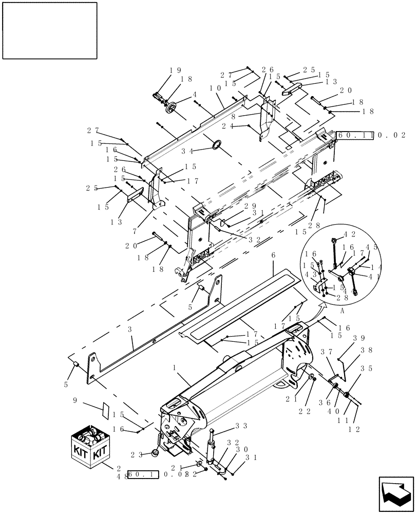
Запчасти Case IH 7230 (60.110.03) - LATERAL TILT FEEDER ADAPTER (60) - PRODUCT FEEDING

Схема запчастей Case IH 7230 - (60.110.03) - LATERAL TILT FEEDER ADAPTER (60) - PRODUCT FEEDING
6
4
33
32
7
21
10
28
15
22
43
48
41
21
31
37
18
15
30
16
15
14
22
20
15
31
a
27
16
13
17
40
15
44
24
11
15
3
17
16
15
38
15
9
5
16
36
17
35
12
17
8
60.110.02
60.110.08
15
23
20
28
39
19
2
15
1
25
18
26
15
15
18
16
25
18
27
13
34
32
15
15
29
18
5
15
26
42
45
FIT
1:1
100%

Артикул

Название

Примечание

Количество

1

87649360

ADAPTER

Adapter, Includes Ref 43, NA & EU

1шт.

1

87751025

FEEDER

Adapter, Heavy Duty; Includes Ref 43 NA & EU

1шт.

3

84392517

WEAR STRIP

1шт.

4

87635130

RETAINING PLATE

1шт.

4

87715218

PLATE

1шт.

Used W/Heavy Duty Adapter

1шт.

5

87107672

SPACER,20.64mm ID x 30.16mm OD x 42mm L

2шт.

6

84164528

SHIELD

1шт.

7

87587591

SHEET ASSY.

L.H.

1шт.

8

87587593

SHEET ASSY.

R.H.

1шт.

9

84128537

DECAL

DANGER, Pinch Point

1шт.

10

87673524

DEFLECTOR

Deflector

1шт.

11

322355

BELLEVILLE WASHER,M4 Bolt Size x 10mm OD x 0.9mm Thk

2шт.

12

87384106

BOLT,M4 x 42.92mm, Cl 8.8

2шт.

13

84144529

SHIELD

Plate, Strip Off

2шт.

14

9824326

WASHER,5.3mm ID x 10mm OD x 1mm Thk

2шт.

15

322358

BELLEVILLE WASHER,M8 Bolt Size x 18mm OD x 1.4mm Thk

1шт.

16

43127

BOLT,Hex, M8 x 1.25 x 25mm, Cl 8.8

1шт.

17

86629542

NUT,M8 x 1.25, Cl 8.8

4шт.

18

86625266

WASHER,17.5mm ID x 30mm OD x 4mm Thk

7шт.

19

11119231

BOLT,M16 x 75mm, Cl 10.9

3шт.

19

87742368

12 PT SCREW,M20 x 1.5 x 90mm, Cl 10.9

3шт.

Used W/Heavy Duty Adapter

1шт.

20

84036080

BOLT,Hex, M16 x 110mm, Cl 10.9

2шт.

21

913347

WASHER,M17 x 56mm OD x 11mm Thk

2шт.

22

86512555

NUT,M16 x 2, Cl 10

2шт.

23

87105683

CAP

1шт.

24

86507486

CARRIAGE BOLT,M8 x 1.25 x 20mm, Cl 8.8

2шт.

25

43129

BOLT,Hex, M8 x 1.25 x 40mm, LH Thd, Cl 8.8

4шт.

26

120104

BOLT,Hex, M8 x 1.25 x 20mm, Cl 8.8

2шт.

27

300381

BOLT,Hex, M8 x 1.25 x 35mm, Cl 8.8

4шт.

28

9706690

NUT,M8 x 1.25, Cl 8

1шт.

29

87312141

PLATE

1шт.

30

87107105

U-BRACKET

1шт.

31

86511841

BOLT,Flng, M8 x 1.25 x 16mm, Full Thd, Cl 8.8

3шт.

32

87312143

PIN,14mm OD x 68.5mm L

2шт.

33

87282645

CYLINDER,Double Acting, 28mm Rod, 140mm Stroke

Lateral Tilt Feeder Adapter

1шт.

NA

1шт.

33

87282646

CYLINDER,Double Acting, 25mm Rod, 84mm Stroke

Lateral Tilt Feeder Adapter

1шт.

EU

1шт.

33

87753846

HYDRAULIC CYLINDER,Double Acting, 28mm Rod, 140mm Stroke

Lateral Tilt Feeder Adapter

1шт.

Used W/Heavy Duty Adapter

1шт.

NA

1шт.

33

87758705

CYLINDER,Double Acting, 28mm Rod, 84mm Stroke

Lateral Tilt Feeder Adapter

1шт.

EU

1шт.

Used W/Heavy Duty Adapter

1шт.

34

86995542

THRUST WASHER,77.5mm ID x 101.6mm OD x 7.8mm Thk

1шт.

35

87330286

SENSOR

Header Height

1шт.

36

87362420

MOUNT

1шт.

37

87643243

SHAFT

Shaft

1шт.

38

87643245

LINK

1шт.

39

9821714

CLIP

2шт.

40

86000439

SNAP RING,0.288" ID x 0.66" OD x 0.037" Thk, External

1шт.

41

87283864

SENSOR

Feeder Angle, W/ 6" Lead

1шт.

42

87283220

LINKAGE

1шт.

43

87001364

BRACKET

1шт.

44

87105024

ARM

1шт.

45

86502967

SCREW,Phillips Drive, Pan HD, M5 x 30mm, Cl 4.8

2шт.

46

84019930

CLEVIS PIN,6mm OD x 20mm L

1шт.

47

86523849

COTTER PIN,1/16" x 3/4"

1шт.

48

84440974

DRIVE SHAFT

Hillco Drive Shaft Extension

1шт.

49

84440967

DRIVE SHAFT

Hillco Drive Shaft Extension

1шт.

Выбрано товаров: 62