Запчасти Case IH 7230 (88.230.14) - STRAW SPREADER COMPONENTS (88) - ACCESSORIES

Схема запчастей Case IH 7230 - (88.230.14) - STRAW SPREADER COMPONENTS (88) - ACCESSORIES
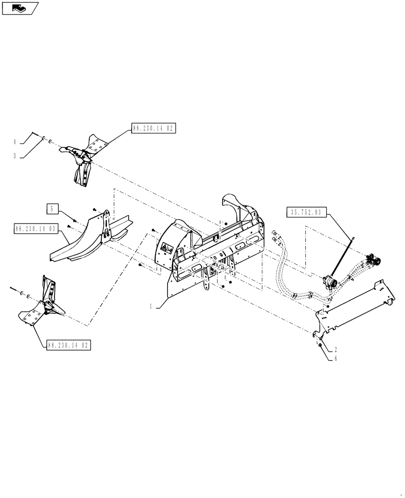
1
6
3
5
88.230.14 02
88.230.14 02
4
home
35.752.03
88.230.14 03
2
FIT
1:1
100%

Артикул

Название

Примечание

Количество

1

84475982

HOUSING

Housing W Decal

1шт.

2

84476615

HALF-HINGE

1шт.

3

264198

WASHER,9.9mm ID x 39.1mm OD x 4.8mm Thk

4шт.

4

87302583

LOCK BOLT,M8 x 1.25 x 95.45mm, Cl 10.9

2шт.

5

87682383

CARRIAGE BOLT,M8 x 1.25 x 20mm, Cl 10.9

10шт.

6

86507066

FLANGE NUT,M8 x 1.25, Cl 10

10шт.

Выбрано товаров: 6