Запчасти Case IH 7230 (25.400.AD[05]) - VAR - 712547, 712548 - EXTENSION, FRONT AXLE (25) - FRONT AXLE SYSTEM

Схема запчастей Case IH 7230 - (25.400.AD[05]) - VAR - 712547, 712548 - EXTENSION, FRONT AXLE (25) - FRONT AXLE SYSTEM
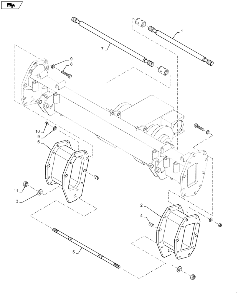
9
11
2
7
6
10
8
5
9
1
3
4
FIT
1:1
100%

Артикул

Название

Примечание

Количество

1

87011353

DRIVE SHAFT

VAR - 712547 - 316mm

1шт.

1

87011357

CONTROL SHAFT

VAR - 712548 - 265mm

1шт.

1

84440967

DRIVE SHAFT

VAR - 712553 - 928mm

1шт.

2

87108164

EXTENSION

VAR - 712547 - 316mm

1шт.

2

87108189

EXTENSION

VAR - 712548, 712553 - 265mm

1шт.

3

80140184

WASHER,31mm ID x 50mm OD x 3mm Thk

31mm

2шт.

4

626826

DOWEL,29.92mm OD x 35.1mm L

Retaining

4шт.

5

84989399

ROD

Extension Support

1шт.

6

87108166

EXTENSION

VAR - 712548, 712553 - 316mm

1шт.

6

87108187

EXTENSION

VAR - 712547 - 265mm

1шт.

7

87011355

CONTROL SHAFT

VAR - 712547 - 316mm

1шт.

7

87011359

CONTROL SHAFT

VAR - 712548 - 265mm

1шт.

7

84440974

DRIVE SHAFT

VAR - 712553 - 1188mm

1шт.

8

87024335

BOLT,Hex, M20 x 80mm, Cl 10.9

16шт.

9

394632

WASHER,21mm ID x 40mm OD x 4mm Thk

32шт.

10

87024336

NUT,M20 x 2.5, Cl 10

16шт.

11

300852

NUT,M30 x 1.5, Cl 8

2шт.

Выбрано товаров: 17