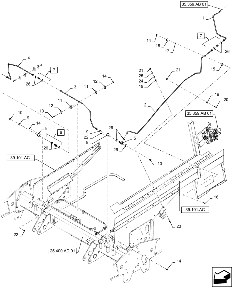
Запчасти Case IH 7230 (48.134.AJ[01]) - VAR - 425399 - HYDRAULIC SYSTEM, TRACK ASSY (48) - TRACKS & TRACK SUSPENSION

Схема запчастей Case IH 7230 - (48.134.AJ[01]) - VAR - 425399 - HYDRAULIC SYSTEM, TRACK ASSY (48) - TRACKS & TRACK SUSPENSION
7
11
20
12
8
7
10
21
2
14
13
24
4
21
26
25.400.ad 01
17
26
12
14
10
22
14
25
22
26
16
19
18
9
26
8
1
35.359.ab 01
6
14
11
19
23
26
39.101.ac
9
39.101.ac
35.359.ab 01
5
15
3
FIT
1:1
100%

Артикул

Название

Примечание

Количество

1

87470922

HYD TUBE,0.375" OD

Track Pressure, LH, 1, 427.3mm OAL, Serial Range: -YDG222004

1шт.

1

84398805

HYD TUBE

Track Pressure, LH, 1, 445.4mm OAL, Start Serial: YDG222005

1шт.

2

84423563

HYD TUBE

Track Pressure, LH, 2, 1934mm OAL

1шт.

3

84421340

HYD TUBE

Track Pressure, LF, 883mm OAL

1шт.

4

84421342

HYD TUBE

Track Pressure, RF, 626mm OAL

1шт.

5

84177560

TEE

Bulkhead, 10mm ORFS

1шт.

6

86978770

UNION,11/16"-6, ORFS

Incl 26

1шт.

7

84431546

UNION,11/16"-16 ORFS

Incl 26

2шт.

8

84422482

SUPPORT

Bulkhead Mount

2шт.

9

87010704

BHD LOCK NUT,11/16"-16

2шт.

10

9625546

CAP,11/16" - 16 ORFS

2шт.

11

87000159

CLAMP

Tube, 53mm OAL x 30mm W

3шт.

12

72180326

PLATE

Clamp Retainer, 52mm OAL x 30mm W

6шт.

13

87670761

FLANGE BOLT,M8 x 68.1mm, Cl 10.9

3шт.

14

86507066

FLANGE NUT,M8 x 1.25, Cl 10

8шт.

15

84172494

CLAMP

Tube, 34mm OAL x 20mm W

1шт.

16

87698834

BOLT,M8 x 48.1mm, Cl 10.9

1шт.

17

84172484

SPACER

Tube Clamp, 9mm ID x 12mm OD x 18.8mm OAL

1шт.

18

84172253

CLAMP

Plate, 40mm OAL x 20mm W

1шт.

19

236558A1

CLAMP

Tube, 9.5mm ID x 27mm OAL

2шт.

20

87698832

FLANGE BOLT,Hex, M6 x 35mm, Cl 10.9

1шт.

21

86050300

FLANGE NUT,M6 x 1.0, Cl 10

2шт.

22

87656137

BOLT,Flange Hex, M8 x 20mm, Cl 10.9

4шт.

23

87698761

BOLT,Hex, M6 x 60mm, Cl 10.9

1шт.

24

87035448

SPACER,8.48mm ID x 12.7mm OD x 12.7mm L

1шт.

25

378243

WASHER,8.4mm ID x 21mm OD x 1.6mm Thk

1шт.

26

9993141

O-RING,0.07" Thk x 0.364" ID, -12, Cl 6, 90 Duro

9шт.

Выбрано товаров: 27