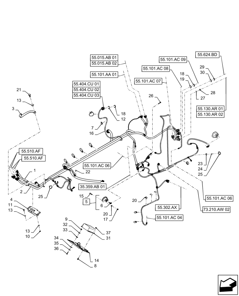
Запчасти Case IH 7230 (55.101.AC[03]) - WIRE HARNESS, MAIN FRAME, LH (55) - ELECTRICAL SYSTEMS

Схема запчастей Case IH 7230 - (55.101.AC[03]) - WIRE HARNESS, MAIN FRAME, LH (55) - ELECTRICAL SYSTEMS
25
8
4
30
55.101.aa 01
55.510.af
18
55.130.ar 01
35
11
73.210.aw 02
9
35.359.ab 01
55.101.ac 09
29
55.101.ac 06
55.302.ax
33
55.101.ac 06
23
3
13
1
12
7
14
25
2
55.510.af
6
55.101.ac 07
15
10
55.130.ar 02
55.624.bd
55.101.ac 08
55.404.cu 03
34
20
36
26
19
27
22
5
28
55.015.ab 02
37
55.101.ac 04
55.404.cu 02
18
21
55.015.ab 01
55.404.cu 01
20
24
17
13
16
31
13
32
FIT
1:1
100%

Артикул

Название

Примечание

Количество

1

47394846

WIRE HARNESS

Main Chassis, LH, Serial Range: -YDG222004

1шт.

1

47427775

WIRE HARNESS

Main Chassis, LH, Start Serial: YDG222005

1шт.

2

47403286

WIRE HARNESS

MF Expansion, Serial Range: -YDG222004

1шт.

2

47466844

WIRE HARNESS

MF Expansion, Start Serial: YDG222005

1шт.

3

86534915

GROUND CABLE

Chassis

1шт.

4

84476088

BRACKET

Front Frame Harness Tiedown

1шт.

5

86590412

LAMP,Halogen, 12V, 37.5W, Clear

Sieve Light, Incl 6

2шт.

6

9847313

BULB,#894, 12V, 37.5W

2шт.

7

87668737

CABLE TIE,203.2mm L, Nylon, Black

Fir Tree

8шт.

8

87656137

BOLT,Flange Hex, M8 x 20mm, Cl 10.9

4шт.

9

87284531

NUT,Rivnut, M8 x 1.25, 0.5mm - 3mm Grip Range

4шт.

10

86507066

FLANGE NUT,M8 x 1.25, Cl 10

2шт.

11

87698833

BOLT,M8 x 33.1mm, Cl 10.9

2шт.

12

84420455

LOCK WASHER,48mm ID x 45.8mm OD

#24

1шт.

13

322358

BELLEVILLE WASHER,M8 Bolt Size x 18mm OD x 1.4mm Thk

5шт.

14

47395226

MOUNT

Chassis Harness

1шт.

15

86508568

BOLT,Hex, M6 x 1 x 16mm, Cl 8.8

4шт.

16

47403282

WIRE HARNESS

Grain Tank To Unload Tube, Serial Range: -YDG222004

1шт.

16

47501325

WIRE HARNESS

Grain Tank To Unload Tube, Start Serial: YDG222005

1шт.

17

353308

NUT,M6 x 1.0, Cl 8

4шт.

18

86619907

NUT,1.6875"-18

4шт.

19

636665

LOCK WASHER,43.18mm ID x 52.68mm OD x 1.57mm Thk

3шт.

20

86588450

WASHER,6.6mm ID x 12mm OD x 1.6mm Thk

4шт.

21

120104

BOLT,Hex, M8 x 1.25 x 20mm, Cl 8.8

1шт.

22

50773

SELF-TAP SCREW

#6

2шт.

23

86590413

BASE,15.87mm W x 22.22mm OAL x 9.9mm Thk

Wire Tie

17шт.

24

445394

RIVET,Pop, 3/16" x 1/2" OAL

17шт.

25

86566989

CABLE TIE,208mm L

29шт.

26

412255

BOLT,Hex, M4 x 20mm, Cl 8.8

6шт.

27

9824840

WASHER,4.3mm ID x 9mm OD x 0.8mm Thk

6шт.

28

385681

NUT,M4 x 0.7, Cl 8

6шт.

29

9861348

NUT,1-1/2"-18

1шт.

30

9861349

LOCK WASHER,38.4mm ID x 47.9mm OD x 1.6mm Thk

1шт.

31

84172704

MODULE

Electronic Load Equalizer

1шт.

31

84172704R

REMAN ELECT CONTROL

Electronic Load Equalizer

1шт.

31

84172704C

CORE-ELECTRONIC CONT

Return Number

1шт.

32

47131603

PAD,14mm ID x 26mm OD x 8mm Thk

Elastic Plug

4шт.

33

47131590

SPACER,8.5mm ID x 26mm OD x 10mm Thk

4шт.

34

87672920

RUBBER SEAL,19mm ID x 30mm L x 3mm Thk

30mm x 25mm x 3mm

4шт.

35

87317427

WASHER,0.28" ID x 1" OD x 0.11" Thk

4шт.

36

87698760

FLANGE BOLT,M6 x 36.6mm, Cl 10.9

4шт.

37

86050300

FLANGE NUT,M6 x 1.0, Cl 10

4шт.

Выбрано товаров: 42