Запчасти Case IH 7230 (55.624.BD[02]) - VAR - 425340, 425543 - WIRE HARNESS, CHAFF SPREADER, ADJUSTER, ASN YDG222004 (55) - ELECTRICAL SYSTEMS

Схема запчастей Case IH 7230 - (55.624.BD[02]) - VAR - 425340, 425543 - WIRE HARNESS, CHAFF SPREADER, ADJUSTER, ASN YDG222004 (55) - ELECTRICAL SYSTEMS
3
4
1
8
2
5
7
5
7
7
10
10
73.420.ac 01
7
4
7
9
1
6
3
6
FIT
1:1
100%

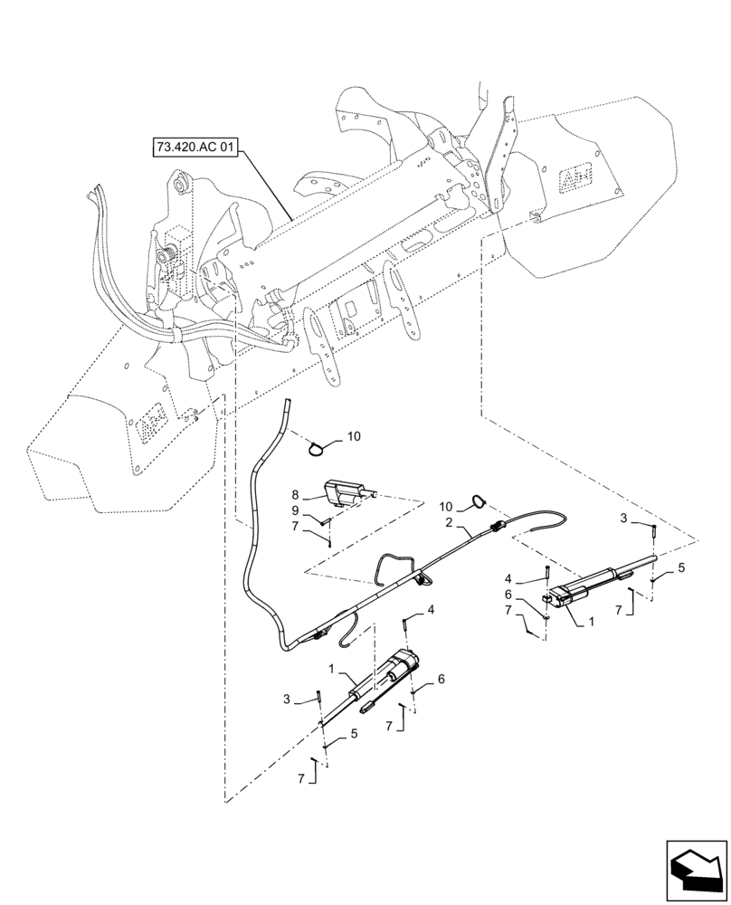
Артикул

Название

Примечание

Количество

1

84208481

ACTUATOR

Spreader Adjust, 174mm Stroke Length

2шт.

2

47501342

WIRE HARNESS

Speader Adjust

1шт.

3

439-1428

HEADED PIN,1/4" OD x 1-3/4" OAL, Gr 2

2шт.

4

84256797

HEADED PIN,7.94mm OD x 44.45mm L

5/16" OD x 1 - 3/4" OAL, Gr 5

2шт.

5

140015

WASHER,6.4mm ID x 14mm OD x 1.6mm Thk

2шт.

6

378243

WASHER,8.4mm ID x 21mm OD x 1.6mm Thk

2шт.

7

300408

COTTER PIN,M3.2 x 14mm OAL

6шт.

8

84277017

ACTUATOR

50mm Stroke Length, No Limit Switches

1шт.

9

84218886

PIN

5/16" OD x 1 - 5/8" OAL, Gr 2

2шт.

10

86566989

CABLE TIE,208mm L

11шт.

Выбрано товаров: 10