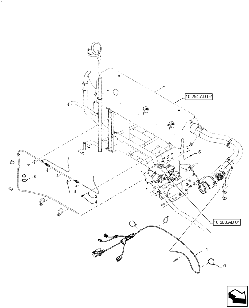
Запчасти Case IH 7230 (55.988.AD) - WIRE HARNESS, SCR TREATMENT, 7230 T4 (55) - ELECTRICAL SYSTEMS

Схема запчастей Case IH 7230 - (55.988.AD) - WIRE HARNESS, SCR TREATMENT, 7230 T4 (55) - ELECTRICAL SYSTEMS
2
6
10.254.ad 02
10.500.ad 01
1
4
5
6
3
FIT
1:1
100%

Артикул

Название

Примечание

Количество

1

47569506

WIRE HARNESS

SCR, Cursor 9

1шт.

2

80272535

WIRE CLAMP,6.3mm, Coat, 7.1mm Bolt Hole, P Type

6.3mm ID x 12.7mm W, Lined

2шт.

3

86625035

CLAMP,12.7mm, Coat, 7.1mm Bolt Hole, P Type

4шт.

4

87695418

FLANGE BOLT,M6 x 1.0 x 16mm, Cl 10.9

6шт.

5

86050300

FLANGE NUT,M6 x 1.0, Cl 10

6шт.

6

86566989

CABLE TIE,208mm L

9шт.

Выбрано товаров: 6