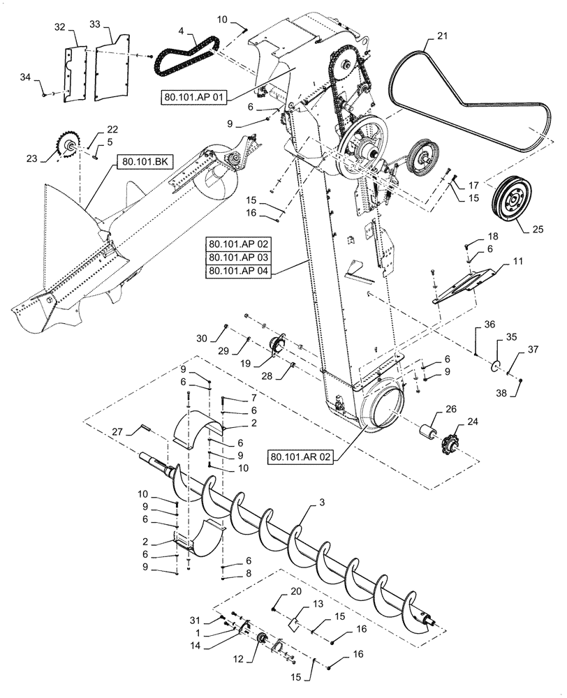
Запчасти Case IH 7230 (80.101.AP[01]) - VAR- 425241, 425363, 722481 - CLEAN GRAIN ELEVATOR, BSN YDG222004 (80) - CROP STORAGE/UNLOADING

Схема запчастей Case IH 7230 - (80.101.AP[01]) - VAR- 425241, 425363, 722481 - CLEAN GRAIN ELEVATOR, BSN YDG222004 (80) - CROP STORAGE/UNLOADING
80.101.ar 02
13
2
16
6
16
6
15
36
27
9
31
4
10
6
21
20
19
30
10
37
6
38
9
25
12
35
3
34
8
18
33
15
14
9
16
6
6
24
23
15
7
15
2
28
17
6
6
10
5
29
9
22
1
6
32
9
26
80.101.ap 03
80.101.ap 01
9
11
80.101.ap 04
80.101.ap 02
80.101.bk
FIT
1:1
100%

Артикул

Название

Примечание

Количество

1

87698854

NUT,M10

3шт.

2

86999480

TROUGH

Clean Grain Auger, RFC Coated

2шт.

3

87283266

AUGER

Clean Grain, Standard Wear - VAR - 722481, 425241

1шт.

3

87283130

AUGER

Clean Grain, RFC Coated - VAR - 425363

1шт.

4

87470736

CHAIN,RC60, 65 Links x 19.05mm = 1238.3mm

1шт.

5

170012

KEY,8mm W x 50mm OAL

1шт.

6

322358

BELLEVILLE WASHER,M8 Bolt Size x 18mm OD x 1.4mm Thk

16шт.

7

43130

BOLT,Hex, M8 x 1.25 x 50mm, Cl 8.8

2шт.

8

86629542

NUT,M8 x 1.25, Cl 8.8

2шт.

9

9706690

NUT,M8 x 1.25, Cl 8

8шт.

10

43128

BOLT,M8 x 1.25 x 30mm, Cl 8.8

4шт.

11

84172628

BRACKET

Boot, Clean Grain Elevator

1шт.

12

87044350

BEARING ASSY,30mm ID x 62mm OD x 18mm W

Spherical, 62mm OD

1шт.

13

87313383

COVER

Clean Grain Auger, Chassis, LH

1шт.

14

84414986

FLANGE

62mm ID

2шт.

15

140045

BELLEVILLE WASHER,M10 Bolt Size x 22mm OD x 1.6mm Thk

8шт.

16

100016

NUT,M10 x 1.5, Cl 8

6шт.

17

43140

BOLT,Hex, M10 x 1.5 x 30mm, Cl 8.8

2шт.

18

120104

BOLT,Hex, M8 x 1.25 x 20mm, Cl 8.8

2шт.

19

86996082

COVER

Clean Grain Auger, Elevator End

1шт.

20

120041

CARRIAGE BOLT,M10 x 20mm, Cl 8.8

1шт.

21

86975809

V-BELT,0.88" W x 1844.04mm Nominal Length

Clean Grain Elevator Drive

1шт.

22

80428

SET SCREW,5/16"-18 x 3/8"

2шт.

23

86999492

SPROCKET

Bubble Up Auger Drive, 26 Tooth

1шт.

24

87283436

SPROCKET

Clean Grain Auger Drive, 9 Tooth

1шт.

25

84556993

PULLEY

Clean Grain Elevator Drive, Standard Speed - VAR - 722481

1шт.

25

84556994

PULLEY

Clean Grain Elevator Drive, 2 Speed - VAR - 425241, 425363

1шт.

26

87283950

TUBE,45.60mm ID x 63.60mm OD x 81.5mm OAL

1шт.

27

87283201

KEY,11.978mm W x 69.75mm OAL

1шт.

28

168368

SPACER,13.4mm ID x 25.4mm OD x 11.1mm OAL

2шт.

29

378245

WASHER,13mm ID x 28.5mm OD x 2.7mm Thk

2шт.

30

100038

NUT,M12 x 1.75, Cl 8

2шт.

31

43139

BOLT,M10 x 1.5 x 25mm, Cl 8.8

3шт.

32

87645802

PLATE

Bubble Up Support, Front - VAR - 425363

1шт.

33

87645805

PLATE

Bubble Up Support - Rear - VAR - 425363

1шт.

34

87698833

BOLT,M8 x 33.1mm, Cl 10.9

6шт.

35

84366828

COVER

Elevator

2шт.

36

9706703

CARRIAGE BOLT,Sht Sq Nk, M6 x 1 x 20mm, Cl 8.8, Full Thd

2шт.

37

322357

BELLEVILLE WASHER,M6 Bolt Size x 14mm OD x 1.3mm Thk

2шт.

38

9706755

NUT,M6, Cl 8

2шт.

Выбрано товаров: 40