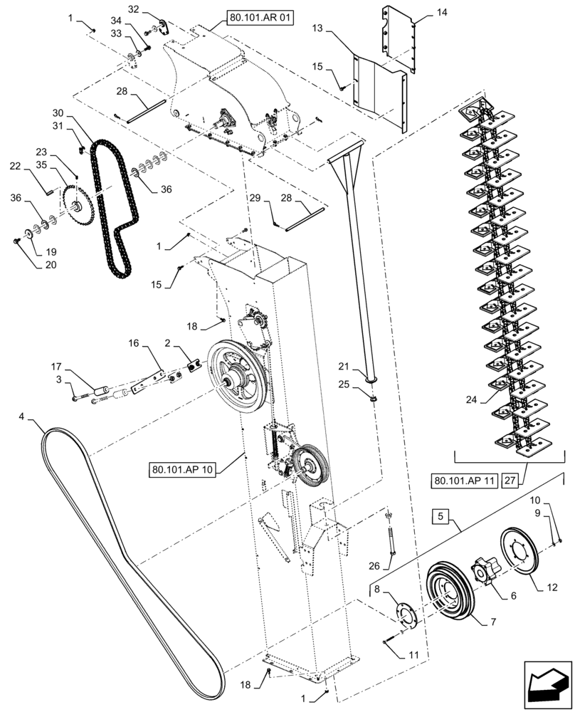
Запчасти Case IH 7230 (80.101.AP[09]) - VAR - 425363 - CLEAN GRAIN ELEVATOR, 2-SPEED, ASN YDG222004 (80) - CROP STORAGE/UNLOADING

Схема запчастей Case IH 7230 - (80.101.AP[09]) - VAR - 425363 - CLEAN GRAIN ELEVATOR, 2-SPEED, ASN YDG222004 (80) - CROP STORAGE/UNLOADING
1
14
6
36
13
1
17
8
18
24
34
11
2
15
4
28
21
80.101.ap 11
33
35
22
1
31
28
15
80.101.ar 01
25
9
7
12
80.101.ap 10
5
29
18
26
10
27
3
32
20
30
36
19
16
23
FIT
1:1
100%

Артикул

Название

Примечание

Количество

1

86507066

FLANGE NUT,M8 x 1.25, Cl 10

17шт.

2

47462062

PLATE

Elevator Mounting

2шт.

3

87742362

BOLT,M12 x 130mm, Cl 10.9

4шт.

4

86975809

V-BELT,0.88" W x 1844.04mm Nominal Length

Clean Grain Elevator Drive

1шт.

5

84556994

PULLEY

Elevator Drive,Two Speed, Incl 6 - 12

1шт.

6

84544453

HUB

Elevator Drive

1шт.

7

86999007

PULLEY,335mm OD

Elevator Drive, Outer

1шт.

8

84252607

RING,90mm ID x 150mm OD x 6mm Thk

Retaining Ring

1шт.

9

322358

BELLEVILLE WASHER,M8 Bolt Size x 18mm OD x 1.4mm Thk

12шт.

10

43362

NUT,M8 x 1.25, Cl 10

6шт.

11

84042348

BOLT,Hex, M8 x 1.25 x 70mm, Cl 10.9

6шт.

12

84533567

PULLEY,269mm OD

Elevator Drive, Inner

1шт.

13

87645802

PLATE

Deflection

1шт.

14

87645805

PLATE

Deflection

1шт.

15

87698833

BOLT,M8 x 33.1mm, Cl 10.9

12шт.

16

47484338

PLATE

Elevator Mounting

1шт.

17

47579346

SPACER

12.5mm ID x 35mm OD x 90mm OAL

4шт.

18

87656137

BOLT,Flange Hex, M8 x 20mm, Cl 10.9

11шт.

19

87023036

WASHER,0.53" ID x 2" OD x 0.25" Thk

1шт.

20

87343550

FLANGE BOLT,Hex, M12 x 25mm

1шт.

21

87284481

SUPPORT

Elevator

1шт.

22

87283679

KEY,9.978mm W x 41.5mm OAL x 7.955mm Thk

1шт.

23

380530

SET SCREW,Hex, M8 x 10mm

1шт.

24

87282356

CONNECTING LINK

Services 27

1шт.

25

86512498

FLANGE NUT,M16 x 2, Cl 10

2шт.

26

359211

BOLT,M16 x 2.0 x 150mm, Cl 8.8

1шт.

27

47429223

ELEVATOR CHAIN

Clean Grain Elevator, Incl 24

1шт.

28

84214452

GROOVED PIN

Tapered, 292mm Long

1шт.

29

216698

COTTER PIN,0.125" OD x 1.75" L

2шт.

30

87470737

CHAIN,RC60, 104 Links x 19.05mm = 1981.08mm

Elevator Head Drive

1шт.

31

87470738

LINK,19.05mm Pitch

Connector, Services 30

1шт.

32

87678426

PIVOT ASSY.

Elevator

2шт.

33

140042

WASHER,11mm ID x 34mm OD x 3mm Thk

2шт.

34

87698837

FLANGE BOLT,M10 x 30mm, Full Thd, Cl 10.9

2шт.

35

87748377

SPROCKET ASSY.

37 Tooth, Driven

1шт.

36

87584813

WASHER,30.5mm ID x 51mm OD x 1.17mm Thk

8шт.

Выбрано товаров: 36