Запчасти Case IH 7230 (88.100.80[01]) - DIA KIT, ELEVATOR, GRAIN TANK, REDUCTION (88) - ACCESSORIES

Схема запчастей Case IH 7230 - (88.100.80[01]) - DIA KIT, ELEVATOR, GRAIN TANK, REDUCTION (88) - ACCESSORIES
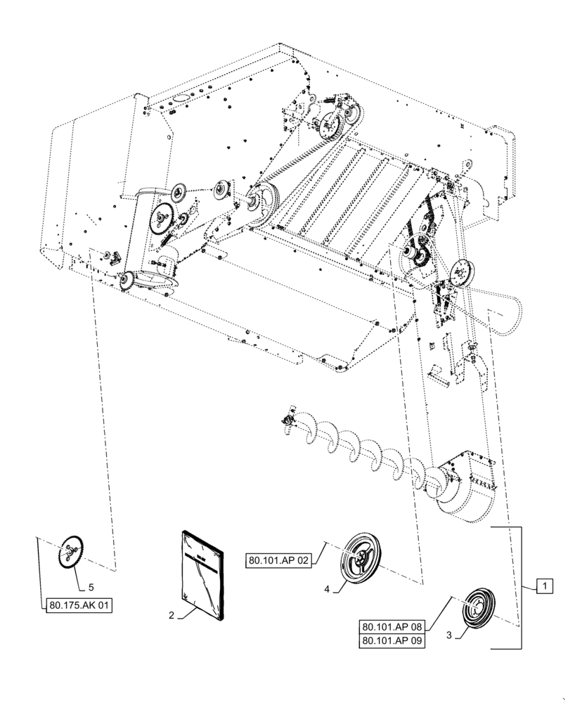
80.101.ap 02
2
5
80.101.ap 08
1
80.175.ak 01
3
80.101.ap 09
4
FIT
1:1
100%

Артикул

Название

Примечание

Количество

1

84084386

DIA KIT, HARVESTER

Elevator And Grain Tank Slow Down, Incl 2 - 5

1шт.

2

87281782

INSTRUCTION

Instruction

1шт.

3

86999007

PULLEY,335mm OD

Sheave, 344mm OD x 100mm ID

1шт.

4

86976480

PULLEY

Driven, 422mm OD x 39.012mm ID

1шт.

5

84069677

SPROCKET,43T

272.9mm OD x 74mm ID, 43 Teeth

1шт.

Выбрано товаров: 5