Запчасти Case IH 7230 (88.100.AC) - VAR - 722094, 722095, 722203, 722091, 722093, 722092, 722374, 722610, 722088, 722089 - LICENSE PLATE LAMP & SUPPORT (88) - ACCESSORIES

Схема запчастей Case IH 7230 - (88.100.AC) - VAR - 722094, 722095, 722203, 722091, 722093, 722092, 722374, 722610, 722088, 722089 - LICENSE PLATE LAMP & SUPPORT (88) - ACCESSORIES
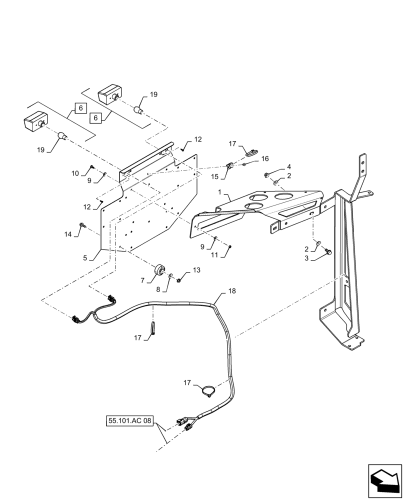
12
18
12
10
14
6
3
17
9
17
2
13
4
15
8
16
11
6
5
7
55.101.ac 08
9
19
19
1
17
2
FIT
1:1
100%

Артикул

Название

Примечание

Количество

1

84304070

BRACKET

License Plate Support

1шт.

2

322358

BELLEVILLE WASHER,M8 Bolt Size x 18mm OD x 1.4mm Thk

3шт.

3

9804258

BOLT,Hex, M8 x 1.25 x 20mm, Cl 8.8

2шт.

4

9804277

FLANGE NUT,Hex, M8 x 1.25, Cl 8

2шт.

5

87001317

RETAINING PLATE

License Plate

1шт.

6

84067964

NUMBER PLATE LAMP

Incl 19

2шт.

7

87602893

BUMPER,6.4mm ID x 38mm OD x 19mm Thk

1шт.

8

12643701

WASHER,6.15mm ID x 18mm OD x 1.5mm Thk

1шт.

9

322357

BELLEVILLE WASHER,M6 Bolt Size x 14mm OD x 1.3mm Thk

5шт.

10

43982

SCREW,Pan Hd, M5 x 12, Cl 4.8

2шт.

11

86508813

NUT,M5, Cl 8

2шт.

12

9835804

SCREW,Oval HD, M3.5 x 1.3 x 13mm

4шт.

13

9804276

FLANGE NUT,Hex, M6 x 1, Cl 8

1шт.

14

9804256

BOLT,Hex, M6 x 1 x 20mm, Full Thd, Cl 8.8

1шт.

15

86590413

BASE,15.87mm W x 22.22mm OAL x 9.9mm Thk

Wire Tie

1шт.

16

325911

RIVET,Pop, 4.75mm OD x 7.4mm L

1шт.

17

86566989

CABLE TIE,208mm L

5шт.

18

87108347

WIRE HARNESS

Rear License Plate

1шт.

19

86616250

BULB,12V, 5W

License Plate

1шт.

Выбрано товаров: 19