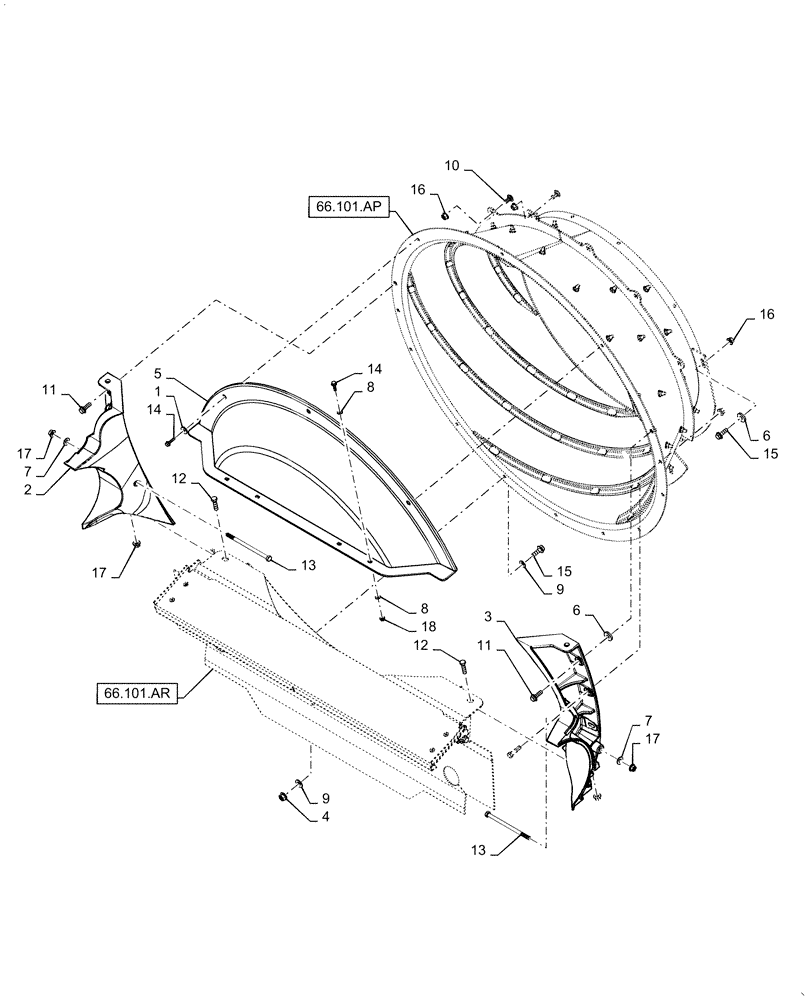
Запчасти Case IH 7240 (66.101.AQ) - VAR - 425198, 425199, 425513, 425611, 425667 - CONE, FEEDER, INLET SECTION (66) - THRESHING

Схема запчастей Case IH 7240 - (66.101.AQ) - VAR - 425198, 425199, 425513, 425611, 425667 - CONE, FEEDER, INLET SECTION (66) - THRESHING
5
8
6
8
10
14
7
66.101.ar
17
6
9
15
9
2
13
17
12
16
7
14
18
17
15
3
11
4
66.101.ap
16
1
13
11
12
FIT
1:1
100%

Артикул

Название

Примечание

Количество

1

140041

WASHER,M8 x 28mm OD x 3mm Thk

3шт.

2

87524461

DEFLECTOR

Infeed, RH, - VAR - 425198, 425611, 425667

1шт.

2

87517351

DEFLECTOR

Infeed, RH, - VAR - 425199, 425513

1шт.

3

87524460

DEFLECTOR

Infeed, LH, - VAR - 425198, 425611, 425667

1шт.

3

87517350

DEFLECTOR

Infeed, LH, - VAR - 425199, 425513

1шт.

4

86050279

FLANGE NUT,M10 x 1.5, Cl 10

5шт.

5

87492652

DOOR

Cover

1шт.

6

86592701

WASHER,13mm ID x 35mm OD x 5mm Thk

2шт.

7

140046

BELLEVILLE WASHER,M12 Bolt Size x 27mm OD x 1.8mm Thk

2шт.

8

322358

BELLEVILLE WASHER,M8 Bolt Size x 18mm OD x 1.4mm Thk

4шт.

9

140045

BELLEVILLE WASHER,M10 Bolt Size x 22mm OD x 1.6mm Thk

10шт.

10

374895

CARRIAGE BOLT,M12 x 1.75 x 25mm, Cl 8.8

6шт.

11

86981487

BOLT,Flange, M12 x 35mm, Full, Cl 10.9 DOR

4шт.

12

9628065

SCREW,Hex, M12 x 1.75 x 45mm, Cl 8.8

4шт.

13

87560260

BOLT,Hex, M12 x 200mm, Cl 8.8

2шт.

14

87030775

BOLT,M8 x 38.1mm, Cl 10.9

5шт.

15

87698837

FLANGE BOLT,M10 x 30mm, Full Thd, Cl 10.9

5шт.

16

43436

FLANGE NUT,M12

12шт.

17

86512497

FLANGE NUT,M12 x 1.75, Cl 10

2шт.

18

86507066

FLANGE NUT,M8 x 1.25, Cl 10

2шт.

Выбрано товаров: 20