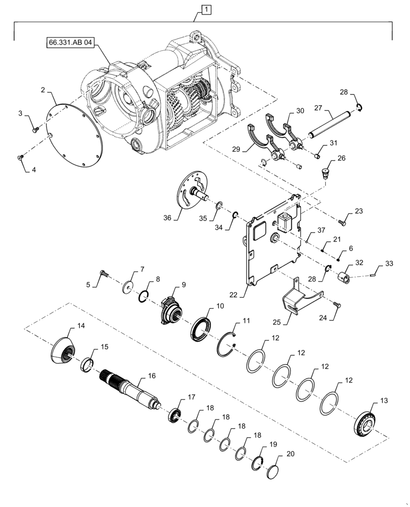
Запчасти Case IH 7240 (66.331.AB[03]) - GEARBOX, ROTOR, INPUT SHAFT (66) - THRESHING

Схема запчастей Case IH 7240 - (66.331.AB[03]) - GEARBOX, ROTOR, INPUT SHAFT (66) - THRESHING
15
24
23
34
17
5
31
25
10
7
32
66.331.ab 04
12
4
12
28
6
36
19
9
8
35
28
20
12
12
18
14
11
2
16
18
13
29
22
18
33
27
37
30
18
3
26
21
1
FIT
1:1
100%

Артикул

Название

Примечание

Количество

1

47672613

GEARBOX

Rotor, Class 7, Incl 2 - 37

1шт.

1

47672615

GEARBOX

Rotor, Class 8, Incl 2 - 37

1шт.

1

47863715

GEARBOX

Rotor, Class 9, Incl 2 - 37

1шт.

2

87673484

COVER

End Plate

1шт.

3

87015732

BOLT,M10 x 1.5 x 26.58mm, Cl 10.9

7шт.

4

725583

HEX SOC SCREW,Flat, M10 x 1.5 x 20mm, Cl 8.8

1шт.

5

87015736

BOLT,M12 x 1.75 x 37.68mm, Cl 10.9

1шт.

6

878-10810

SET SCREW,M8 x 10mm

1шт.

7

86975743

WASHER,13.22mm ID x 57.5mm OD x 7.1mm Thk

13.22mm ID x 57.5mm OD

1шт.

8

104258

O-RING,0.21" Thk x 1.6" ID, -326, Cl 5, 75 Duro

1шт.

9

87280573

YOKE

5C

1шт.

9

47467464

YOKE

6C

1шт.

10

87280576

OIL SEAL,75mm ID x 110mm OD x 13mm Thk

75mm ID x 110mm OD x 13mm Thk

1шт.

11

301652

SNAP RING,M110 x 4mm, Internal

1шт.

12

87033537

SHIM,90mm ID x 110mm OD x 0.5mm Thk

90mm ID x 110mm OD x 0.5mm Thk

1шт.

12

87033536

SHIM,90mm ID x 110mm OD x 0.3mm Thk

90mm ID x 110mm OD x 0.3mm Thk

1шт.

12

87033535

SHIM,90mm ID x 110mm OD x 0.15mm Thk

90mm ID x 110mm OD x 0.15mm Thk

1шт.

12

87033534

SHIM,90mm ID x 110mm OD x 0.1mm Thk

90mm ID x 110mm OD x 0.1mm Thk

1шт.

13

87280574

BEARING ASSY,50mm ID x 110mm OD x 29.25mm W

1шт.

13

47411088

BEARING ASSY,50mm ID x 110mm OD x 42.25mm Thk

50mm ID x 110mm OD x 42.25mm Thk

1шт.

14

87688722

GEAR SET,Bevel, 41 Tooth/18 Tooth

Bevel, 41 Tooth/18 Tooth

1шт.

14

47411084

GEAR SET

Bevel, 41 Tooth/18 Tooth

1шт.

15

87280577

SPACER,54.7mm ID x 62.2mm OD x 14.9mm L

54.7mm ID x 62.2mm OD x 14.9mm OAL

1шт.

16

87684709

SHAFT

Input, 40mm OD x 338mm OAL

1шт.

16

47411092

SHAFT

Input

1шт.

17

87280575

BEARING ASSY,30mm ID x 62mm OD x 17.25mm W

1шт.

17

47411089

BEARING ASSY

20mm ID x 62mm OD x 21.25mm Thk

1шт.

18

87025487

SHIM,50mm ID x 62mm OD x 0.1mm Thk

1шт.

18

87033533

SHIM,50mm ID x 62mm OD x 0.15mm Thk

1шт.

18

87025488

SHIM,50mm ID x 62mm OD x 0.3mm Thk

1шт.

18

87025489

SHIM,50mm ID x 62mm OD x 0.5mm Thk

1шт.

19

87040216

SNAP RING,M62 x 3mm, Internal

1шт.

20

87280587

PLUG

62mm OD x 7mm Thk

1шт.

21

87281285

SPRING

Compression, 7mm OD x 12.5mm OAL

1шт.

22

87280566

COVER

Gearbox, Side

1шт.

23

87015733

BOLT,M10 x 1.5 x 31.58mm, Cl 10.9

5шт.

24

87015734

BOLT,M25 x 2mm, External

3шт.

25

87280961

BRACKET

Shift Cable

1шт.

26

87283549

BREATHER

Vent, 3/8" Gas

1шт.

27

87280505

SHIFT RAIL

Shaft

1шт.

28

800-5125

CIRCLIP,M25, External

3шт.

29

87280503

SHIFTER FORK

First Gear

1шт.

30

87281245

SHIFTER FORK

Second/Third Gear

1шт.

31

87281117

BUSHING,12mm ID x 15mm OD x 16.5mm L

2шт.

32

87280568

LEVER

Gear Shift

1шт.

33

86979985

PIN,6mm OD x 28mm L, Coiled

1шт.

34

14457580

O-RING,0.103" Thk x 0.799" ID, -117, Cl 5, 75 Duro

1шт.

35

87034239

WASHER,25mm ID x 36mm OD x 2mm Thk

25mm ID x 36mm OD x 2mm Thk

1шт.

36

87719018

PLATE ASSY.

Shift Cam

1шт.

37

86642304

BALL,7.94mm OD, Gr 24

1шт.

Выбрано товаров: 50